GM Service Manual Online
For 1990-2009 cars only
Makes
🢒
Cadillac
🢒
2002
🢒
Escalade EXT
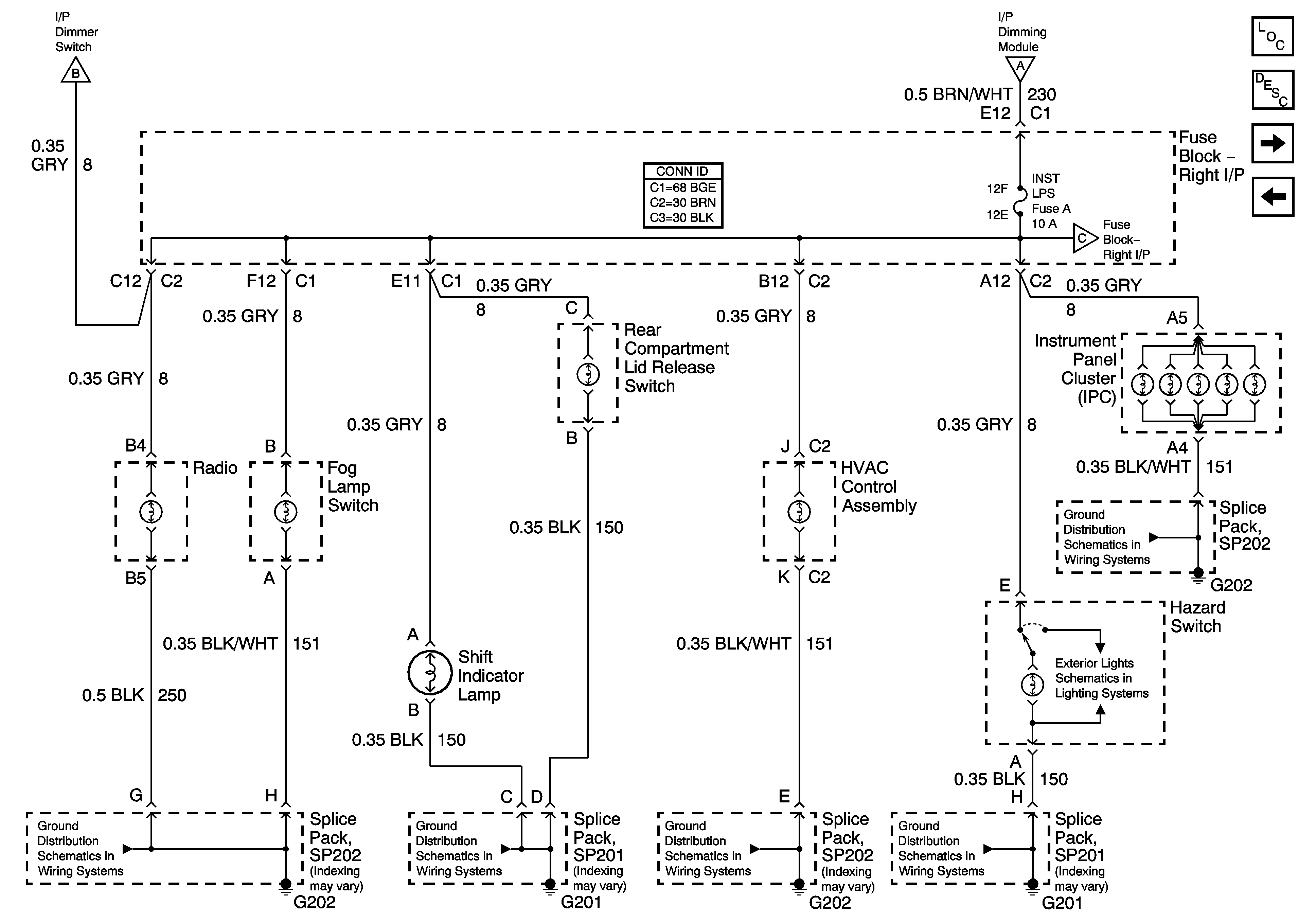
🢒 Panel Dimming
Panel Dimming
Panel Dimming
Master Electrical Component List
Interior Lighting Systems Description and Operation
Door Dimming
Dimmer Switch
Dimmer Switch
Door Dimming
Dimmer Switch
SP202
SP201
SP202
SP201
SP202