GM Service Manual Online
For 1990-2009 cars only
Makes
🢒
Cadillac
🢒
2002
🢒
Escalade EXT
🢒 Dimmer Switch
Dimmer Switch
Dimmer Switch
Master Electrical Component List
Interior Lighting Systems Description and Operation
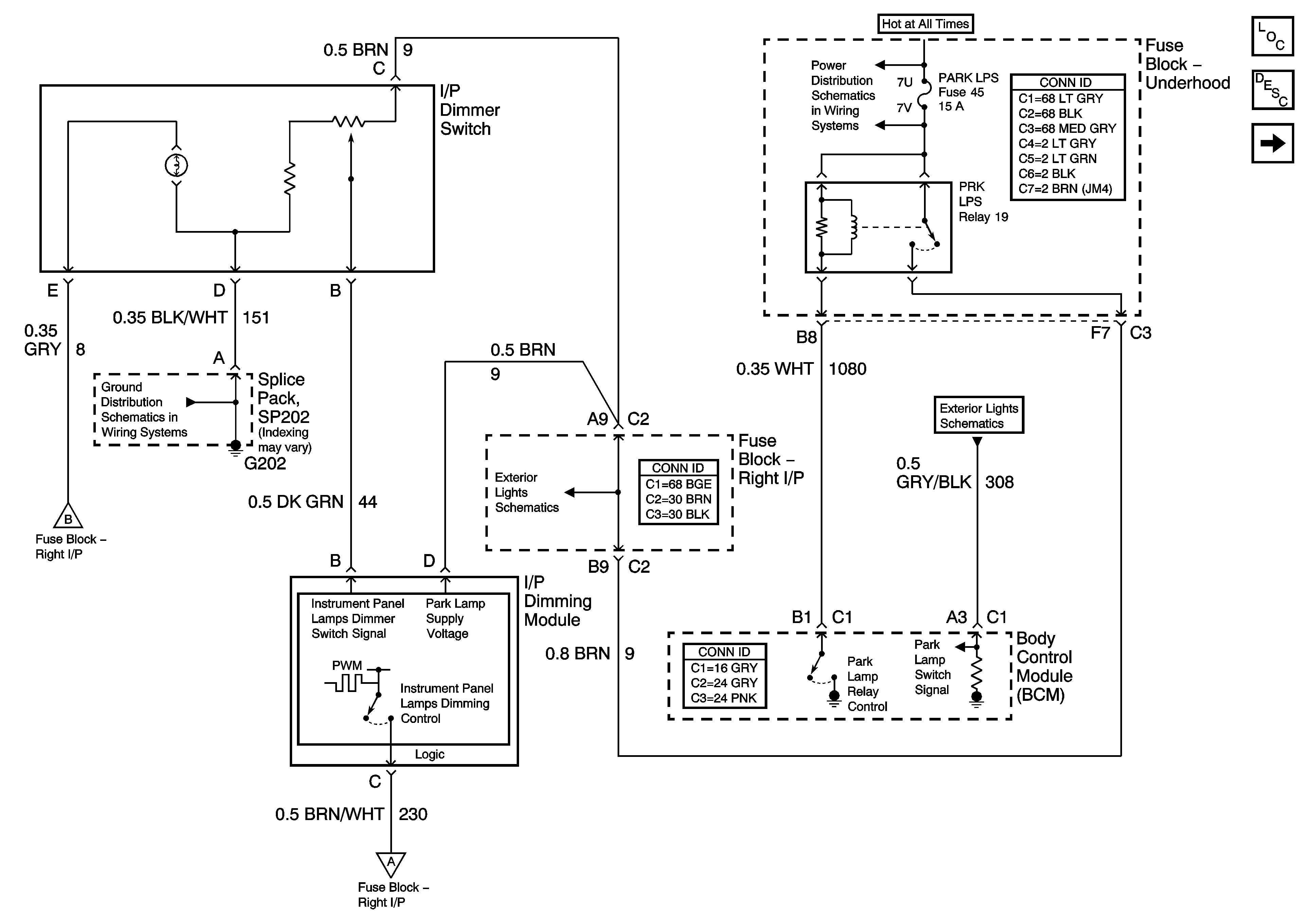
Panel Dimming
Powers, Grounds, and Park Lamp Relay
AUX PWR/CIGAR, PRK LPS, and PCM BATT Fuses
Interior Accessories
Panel Dimming
Panel Dimming
SP202