GM Service Manual Online
For 1990-2009 cars only
Makes
🢒
Cadillac
🢒
2002
🢒
Escalade EXT
🢒 Object Sensors - Avalanche
Object Sensors - Avalanche
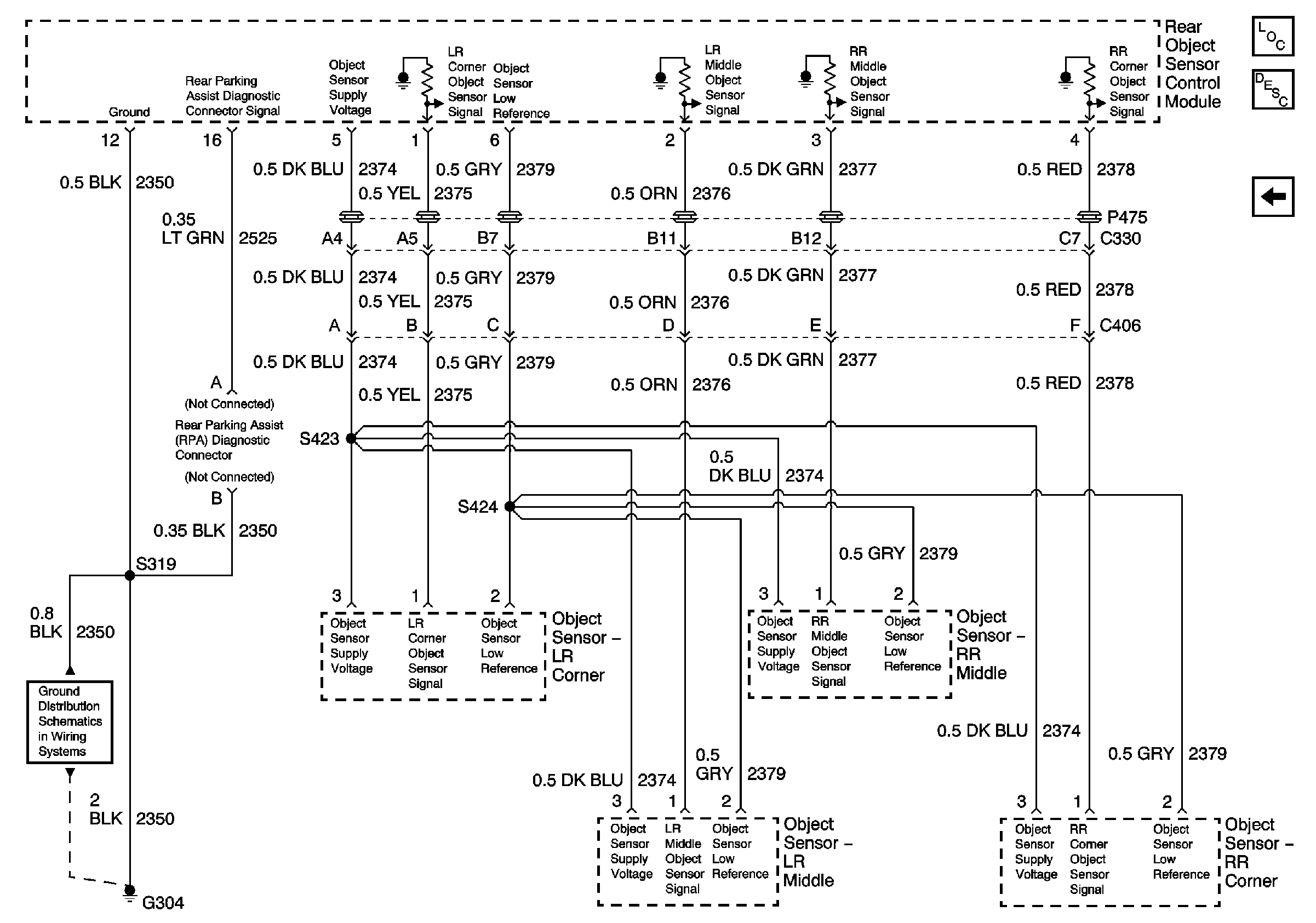
Rear Object Sensor Control Module and Object Sensors-Escalade EXT
G304
Master Electrical Component List
Object Detection Description and Operation
Rear Parking Assist (RPA) Disable Switch,RPA Display and Rear Object Control Module-806 w/o VSES