GM Service Manual Online
For 1990-2009 cars only
Makes
🢒
Cadillac
🢒
2002
🢒
Escalade EXT
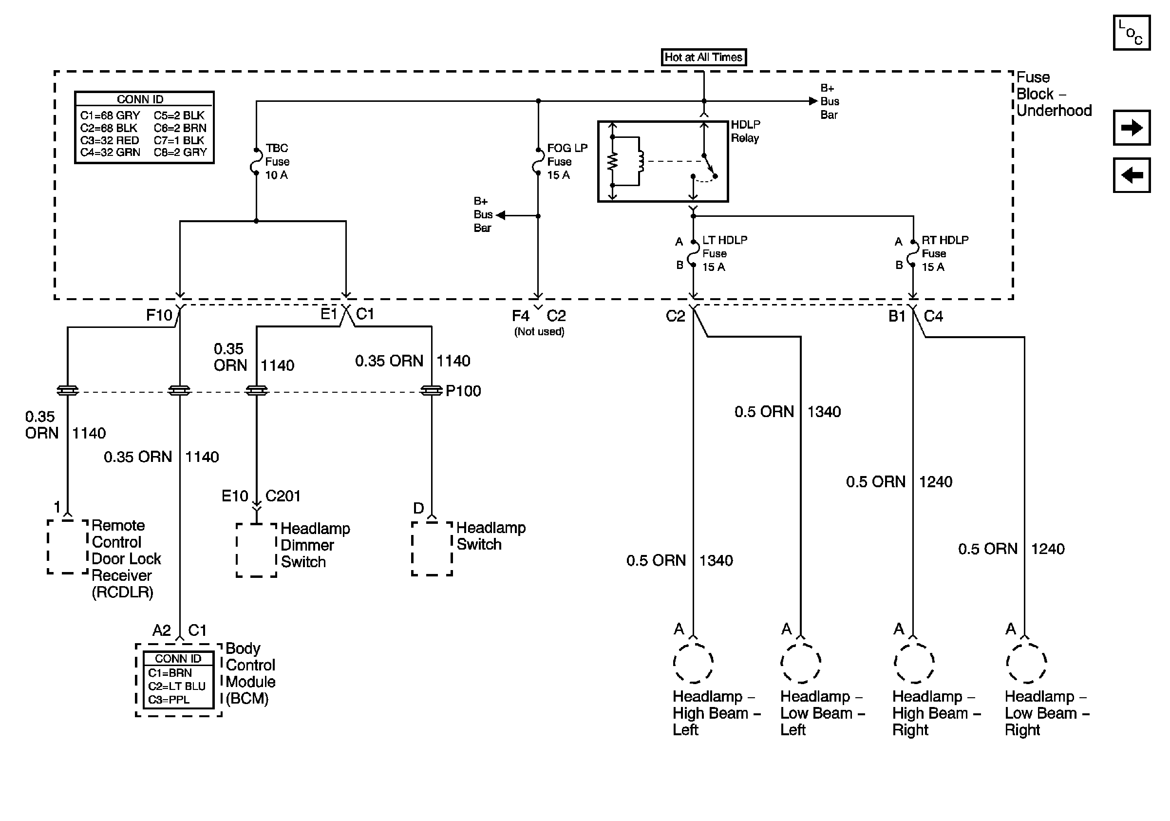
🢒 TBC, FOG LP, LT HDLP, and RT HDLP Fuses
TBC, FOG LP, LT HDLP, and RT HDLP Fuses
TBC, FOG LP, LT HDLP, and RT HDLP Fuses
Master Electrical Component List
IGN 3 Fuse
Ignition Coils
B+ Bus Bar
B+ Bus Bar