GM Service Manual Online
For 1990-2009 cars only
Makes
🢒
Cadillac
🢒
2002
🢒
Escalade EXT
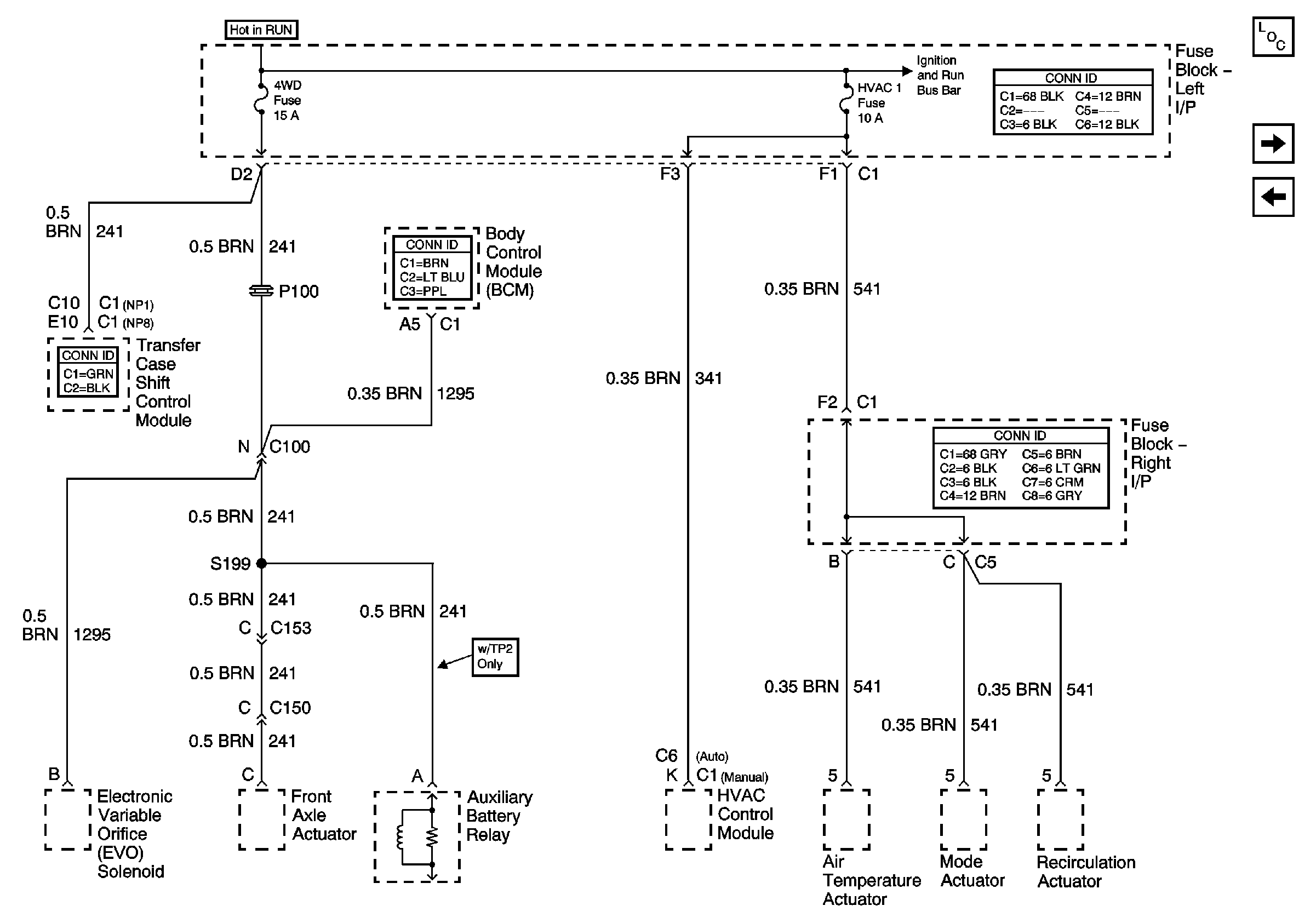
🢒 4WD and HVAC I Fuses
4WD and HVAC I Fuses
4WD and HVAC 1 Fuses
Master Electrical Component List
BRAKE, CRUISE, HTR A/C, RR WPR, WS WPR, and SEO ACCY Fuses
Rear HVAC
IGNITION, RUN, and START Bus Bar