GM Service Manual Online
For 1990-2009 cars only
Makes
🢒
Cadillac
🢒
2002
🢒
Escalade EXT
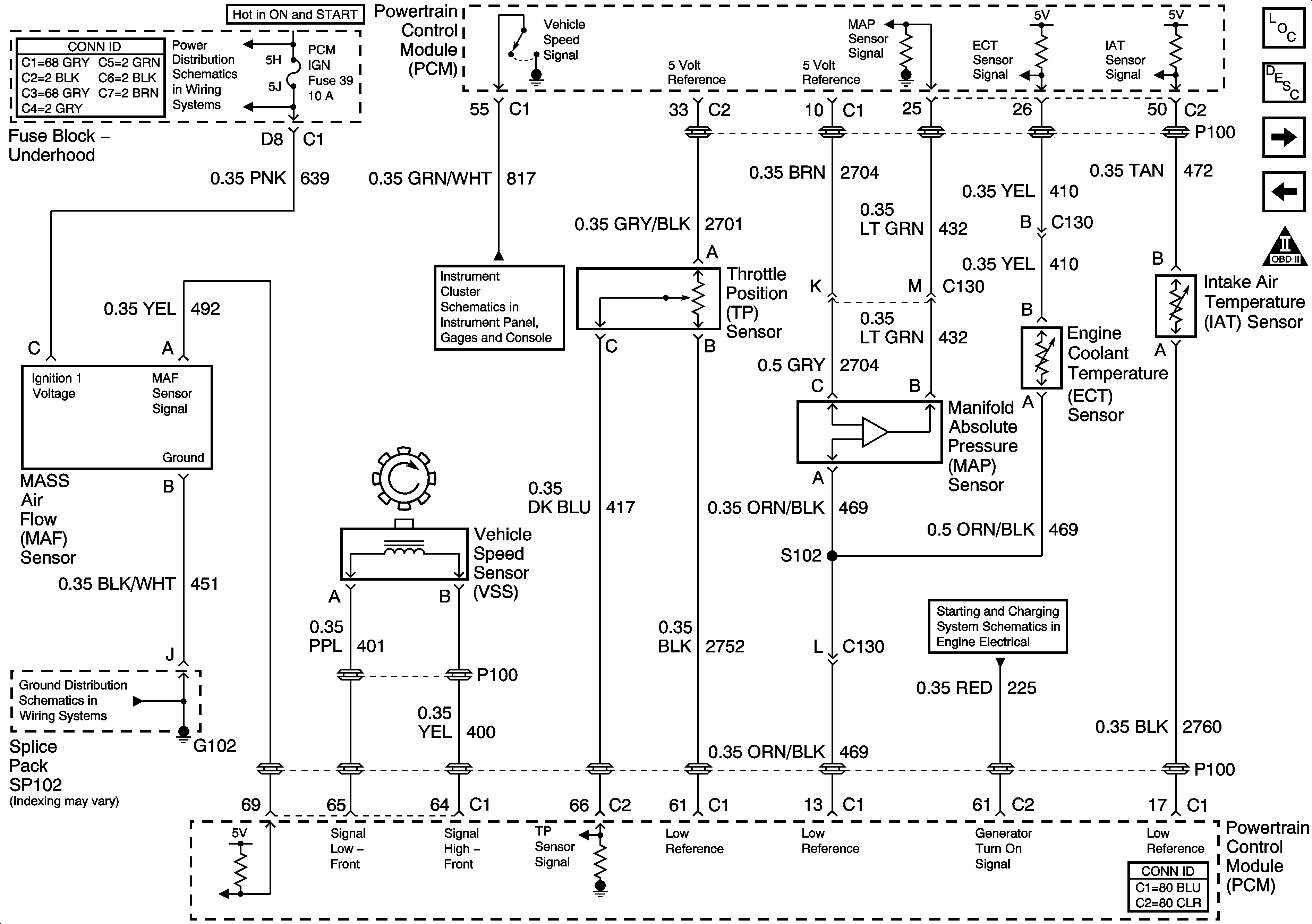
🢒 MAP, ECT, IAT, TP, MAF
MAP, ECT, IAT, TP, MAF
MAP, ECT, IAT, TP and MAF
Master Electrical Component List
Powertrain Control Module Description
Heated Oxygen Sensors
Powertrain Control Module Bussing
OBDII Symbol Description Notice
IGN MOD, B/U LMP, PCM IGN, INJR, A/C BFC, AUTO TRANS, ABS IGN Fuses
Power and Communications
SP102
Charging System