GM Service Manual Online
For 1990-2009 cars only
Makes
🢒
Cadillac
🢒
2002
🢒
Escalade EXT
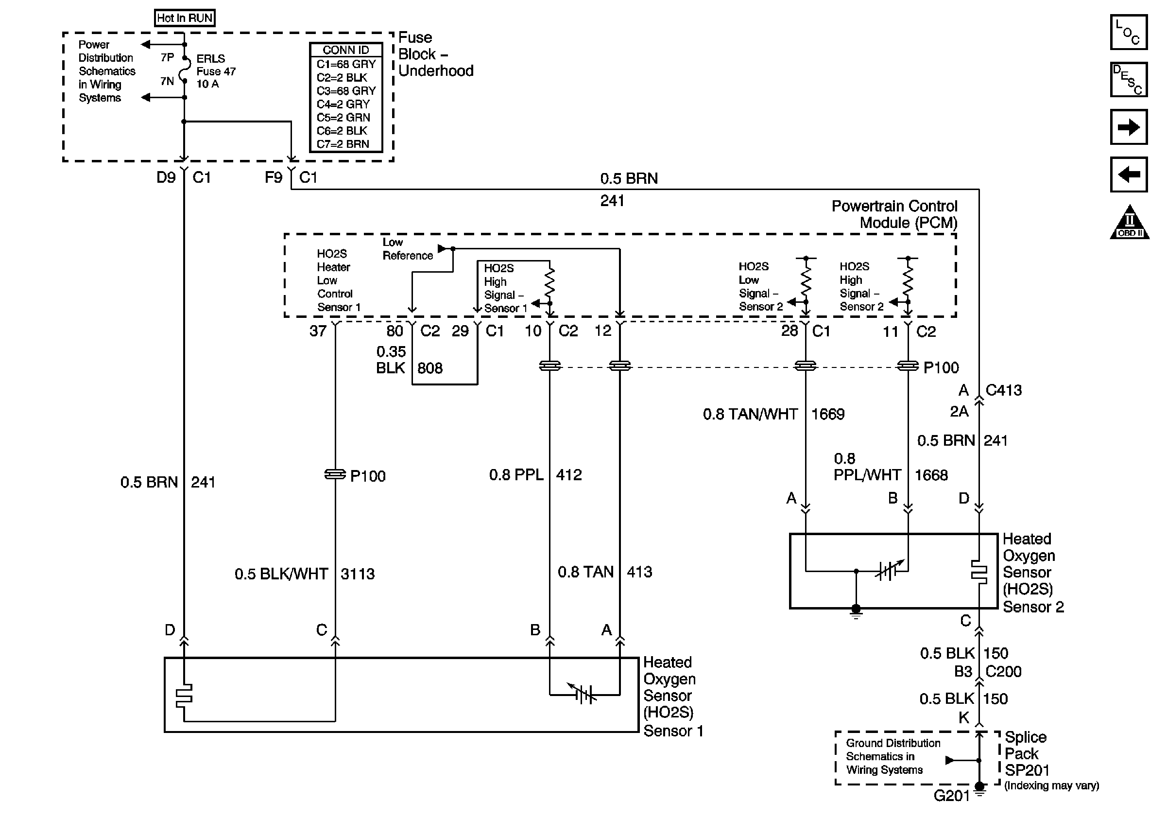
🢒 Heated Oxygen Sensors
Heated Oxygen Sensors
Heated Oxygen Sensors
Master Electrical Component List
Powertrain Control Module Description
Ignition Controls
MAP, ECT, IAT, TP, MAF
OBDII Symbol Description Notice
HTR A/C and ERLS Fuses
SP201