GM Service Manual Online
For 1990-2009 cars only
Makes
🢒
Cadillac
🢒
2002
🢒
Escalade EXT
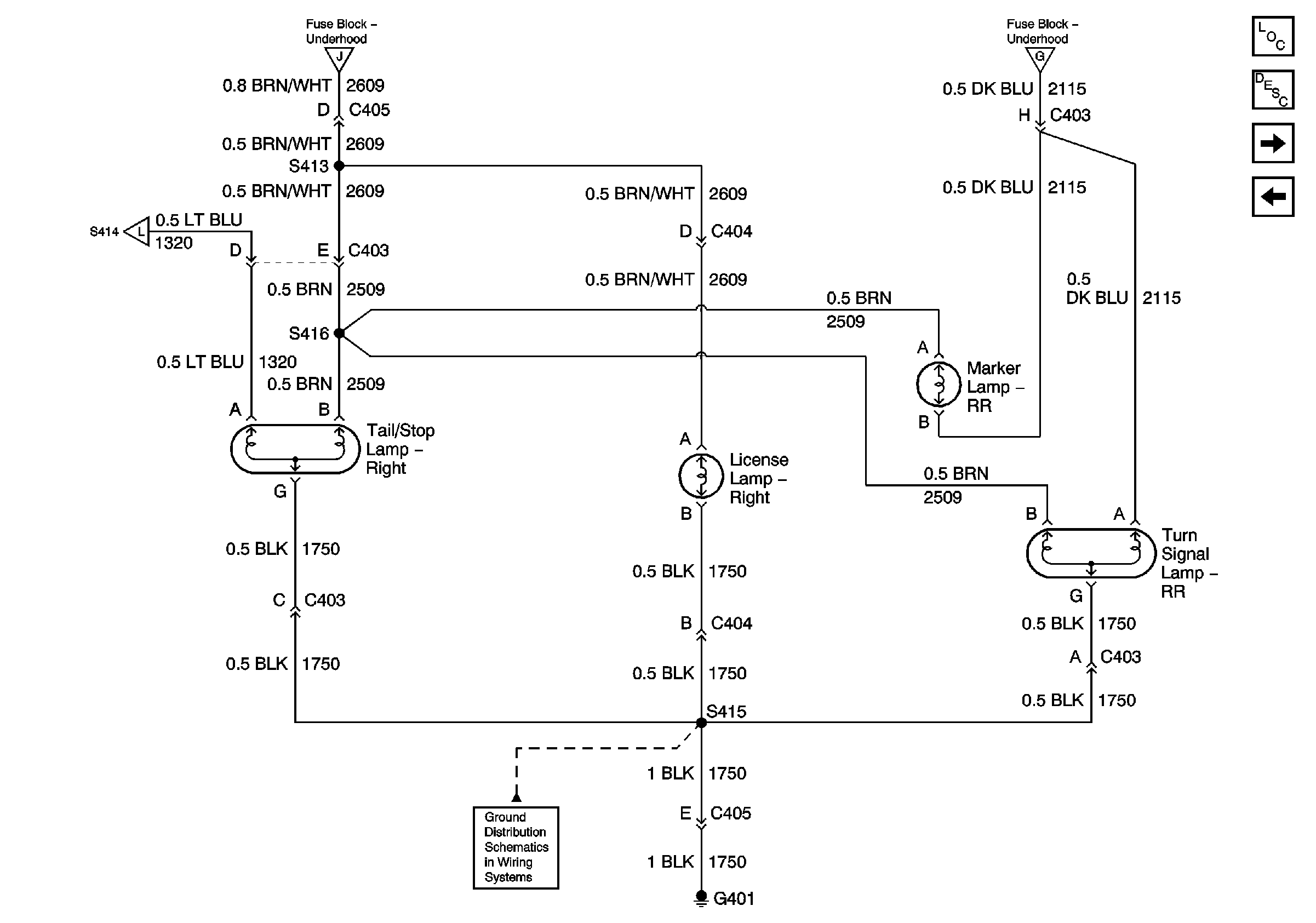
🢒 Rear Lamps - Right
Rear Lamps - Right
Rear Lamps - Right
Master Electrical Component List
Exterior Lighting Systems Description and Operation
Backup Lamps
Rear Lamps - Left
Park Lamp Control
Park/Turn Signal Lamps
Rear Lamps - Left
G401 - Avalanche Built Before July, 16 2001 and 4WD Escalade