GM Service Manual Online
For 1990-2009 cars only
Makes
🢒
Cadillac
🢒
2002
🢒
Escalade EXT
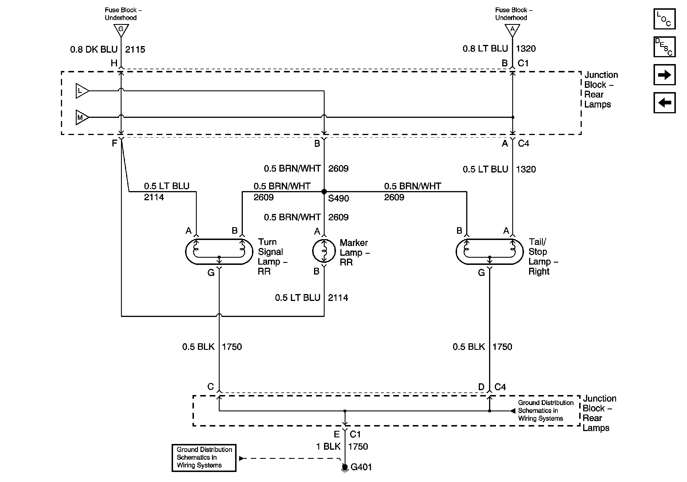
🢒 Rear Lamps - 2 of 2
Rear Lamps - 2 of 2
Rear Lamps - 2 of 2
Master Electrical Component List
Exterior Lighting Systems Description and Operation
Backup Lamps
Rear Lamps - 1 of 2
Park/Turn Signal Lamps
Hazard Flasher, Turn Signal, and Stop Lamp Control
Rear Lamps - 1 of 2
Rear Lamps - 1 of 2
G401 - Avalanche Built Before July 16, 2001 and 4WD Escalade
G401 - Avalanche Built Before July 16, 2001 and 4WD Escalade