GM Service Manual Online
For 1990-2009 cars only
Makes
🢒
Cadillac
🢒
2002
🢒
Escalade EXT
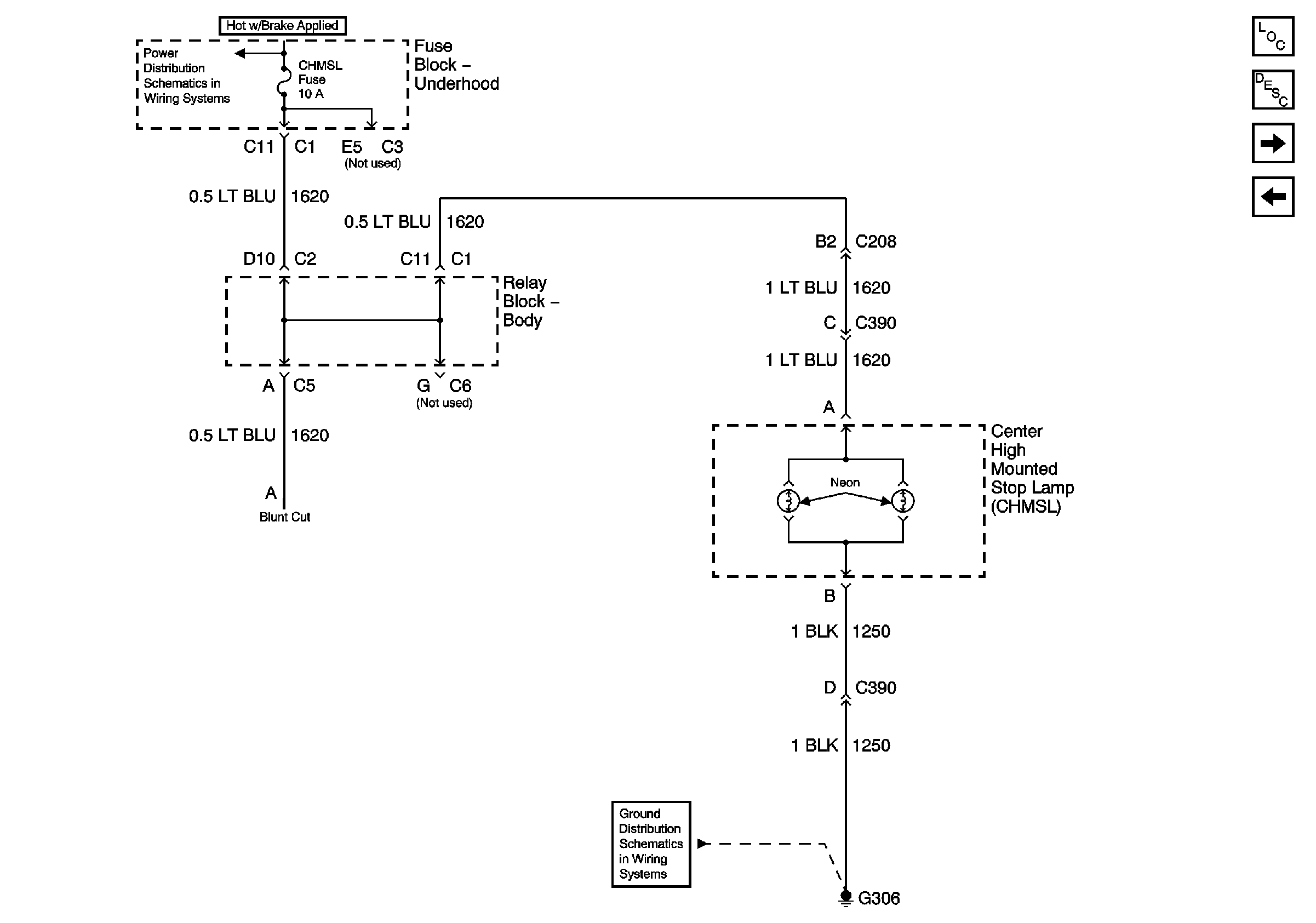
🢒 CHMSL Control - Avalanche
CHMSL Control - Avalanche
CHMSL Control - Avalanche
Master Electrical Component List
Exterior Lighting Systems Description and Operation
Rear Lamps
CHMSL Control
TRL L TRN, TRL R TURN, VEH STOP - 1 of 2, and CHMSL Fuses
G306