GM Service Manual Online
For 1990-2009 cars only
Makes
🢒
Cadillac
🢒
2002
🢒
Escalade EXT
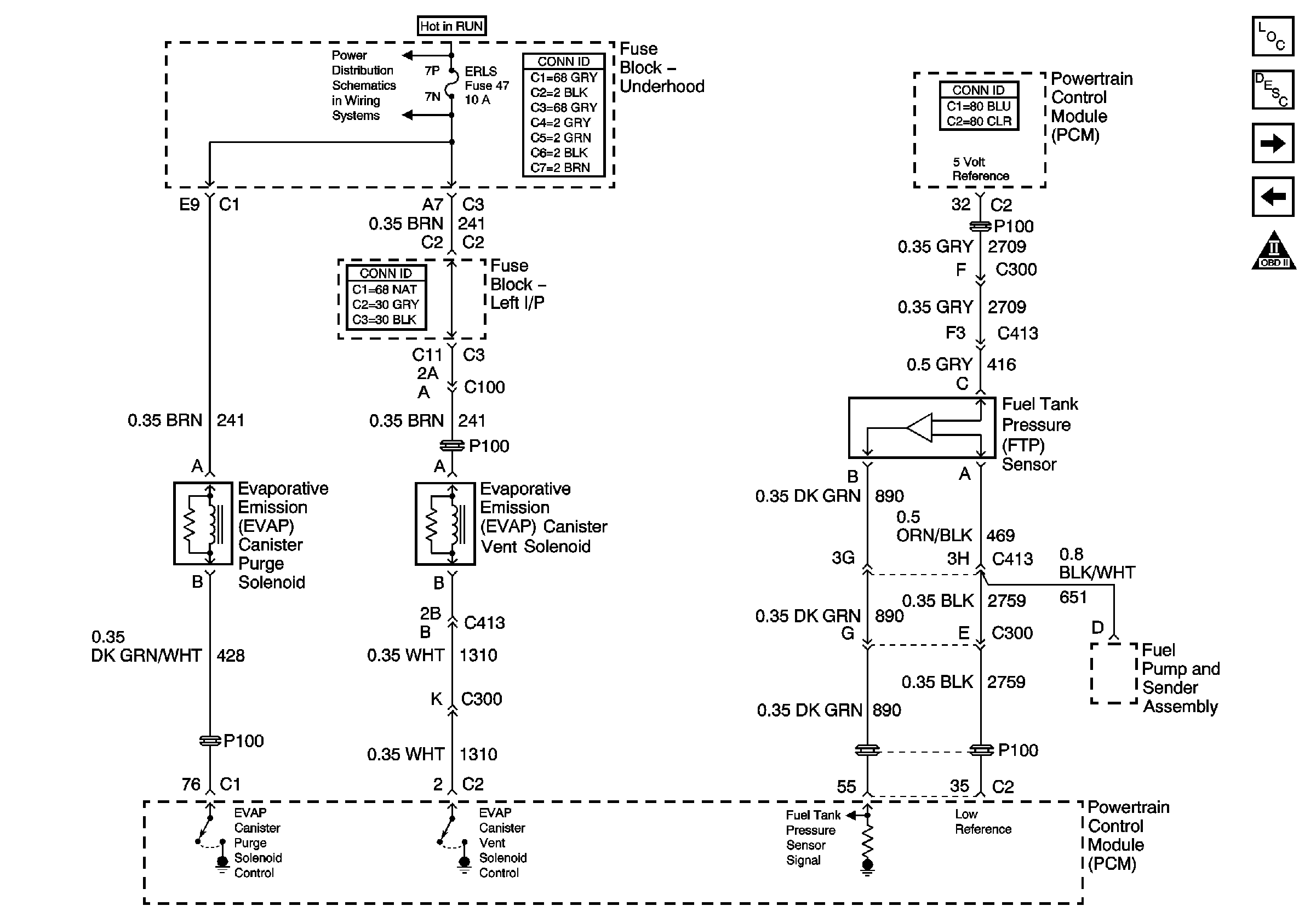
🢒 EVAP and Fuel Controls
EVAP and Fuel Controls
EVAP and Fuel Controls
Master Electrical Component List
Powertrain Control Module Description
Subsystem References
Fuel Injectors
OBDII Symbol Description Notice
HTR A/C and ERLS Fuses
SP201