GM Service Manual Online
For 1990-2009 cars only
Makes
🢒
Cadillac
🢒
2003
🢒
Escalade EXT
🢒
Body and Accessories
🢒
Body Rear End
🢒 Body Rear End Schematics
Master Electrical Component List
Cargo Door Description and Operation
SP205 - 2 of 2
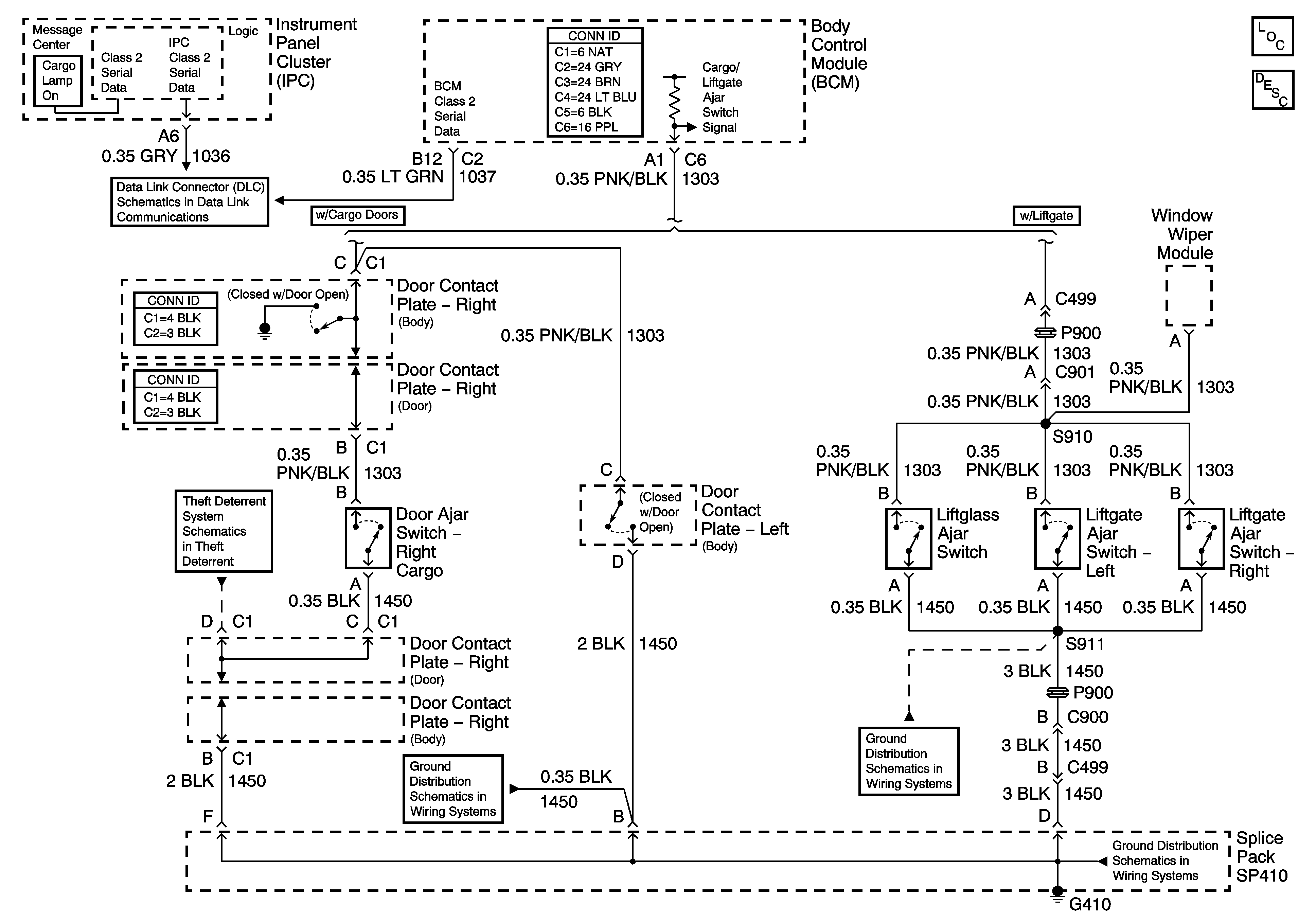
Cargo Door and Liftgate Switches
G410 - 1 Of 3
G410 - 2 Of 3
G410 - 1 Of 3