GM Service Manual Online
For 1990-2009 cars only
Makes
🢒
Cadillac
🢒
2003
🢒
Escalade EXT
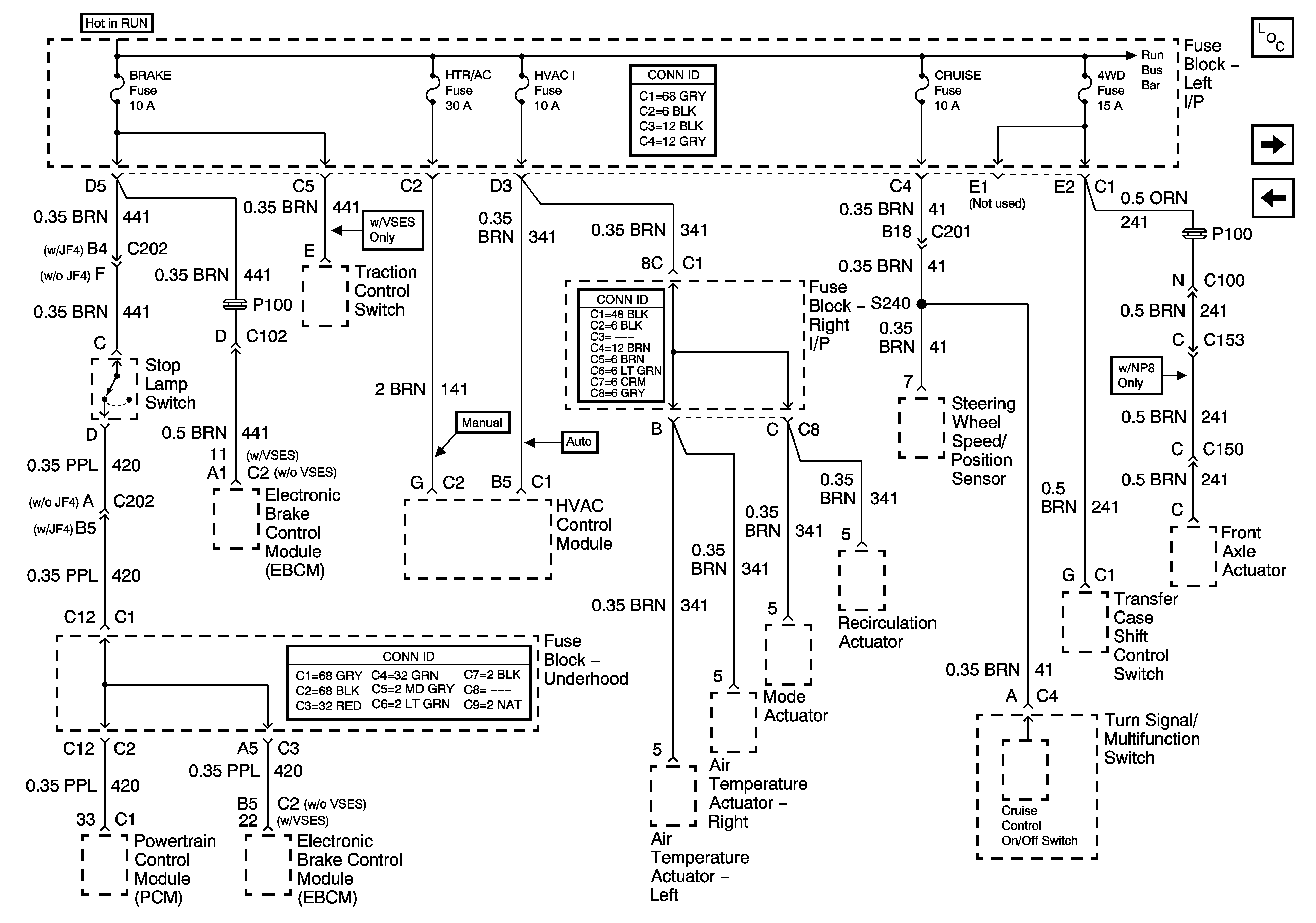
🢒 BRAKE, HTR/AC, HVAC I, CRUISE, 4WD
BRAKE, HTR/AC, HVAC I, CRUISE, 4WD
BRAKE, HTR/AC, HVAC I, CRUISE, 4WD
Master Electrical Component List
IGN 3
DDM, PDM, ECC, AUX PWR 2, AUX PWR
Ignition, Run and Start Bus Bar