GM Service Manual Online
For 1990-2009 cars only
Makes
🢒
Cadillac
🢒
2003
🢒
Escalade EXT
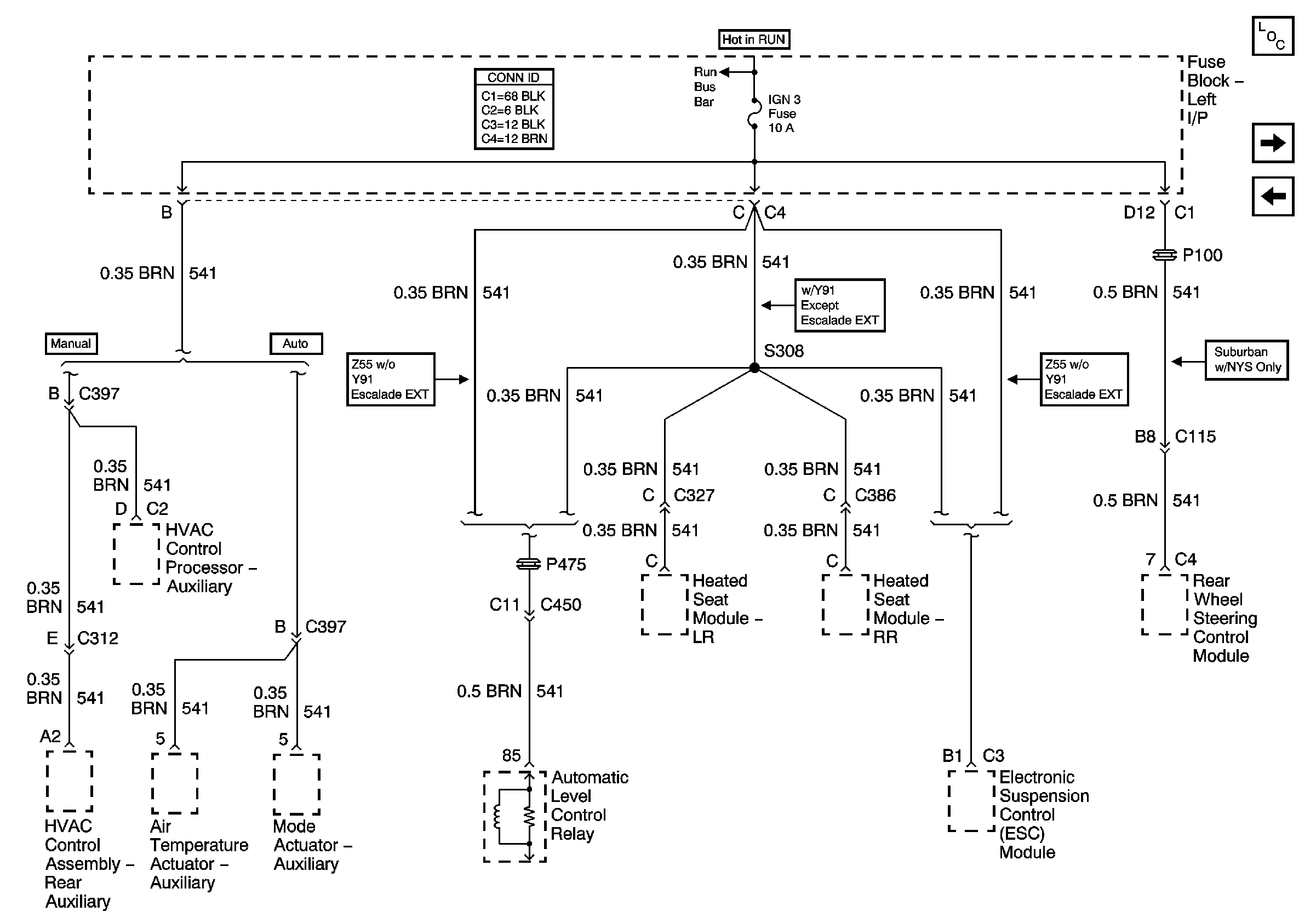
🢒 IGN 3
IGN 3
IGN 3
Master Electrical Component List
LO HDLP-LT, LO HDLP-RT, HI HDLP-LT, HI HDLP-RT
BRAKE, HTR/AC, HVAC I, CRUISE, 4WD
Ignition, Run and Start Bus Bar