GM Service Manual Online
For 1990-2009 cars only
Makes
🢒
Cadillac
🢒
2003
🢒
Escalade EXT
🢒 Charging System
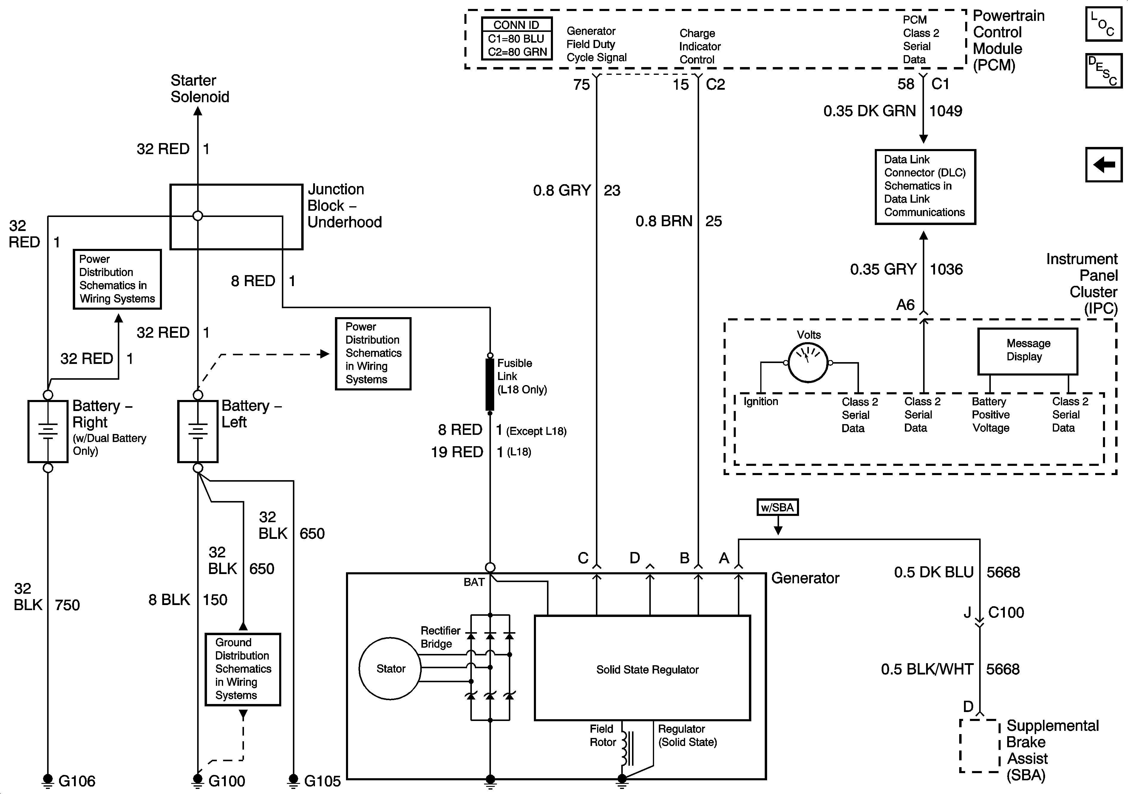
Charging System
Charging System
Master Electrical Component List
Charging System Description and Operation W/O Generator/Battery Control Module
Starting System
B+ Bus Bar - 1 of 2
B+ Bus Bar - 1 of 2
SP205 - 1 of 2
G100, G101, G105, G106