GM Service Manual Online
For 1990-2009 cars only
Makes
🢒
Cadillac
🢒
2003
🢒
Escalade EXT
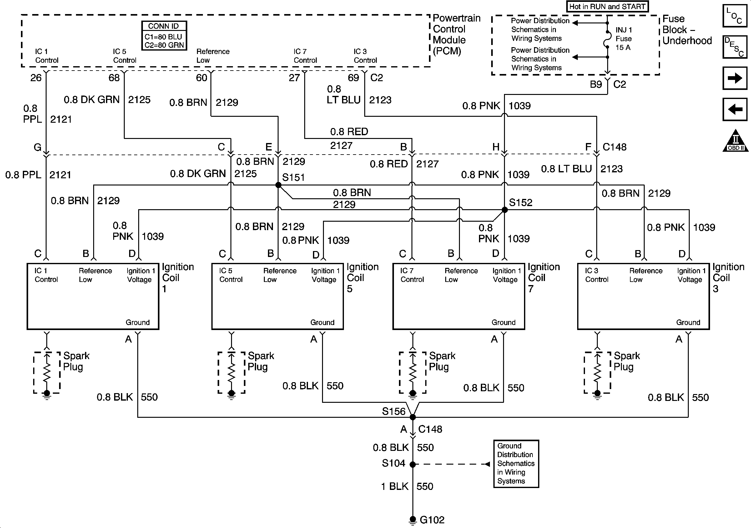
🢒 Ignition Controls - Ignition System Coils 1, 3, 5, and 7
Ignition Controls - Ignition System Coils 1, 3, 5, and 7
Ignition Controls - Ignition System Coils 1, 3, 5, and 7
Master Electrical Component List
Powertrain Control Module Description
Ignition Controls - Ignition System Coils 2, 4, 6, and 8
Engine Data Sensors - Electronic Throttle Controls - 2 of 2
Engine Controls Schematic Icons
IGN 1 Relay Bus, SEO B2, RR DEFOG, SEO IGN, B/U LP
INJ 1, INJ 2
G102, G103