GM Service Manual Online
For 1990-2009 cars only
Makes
🢒
Cadillac
🢒
2003
🢒
Escalade EXT
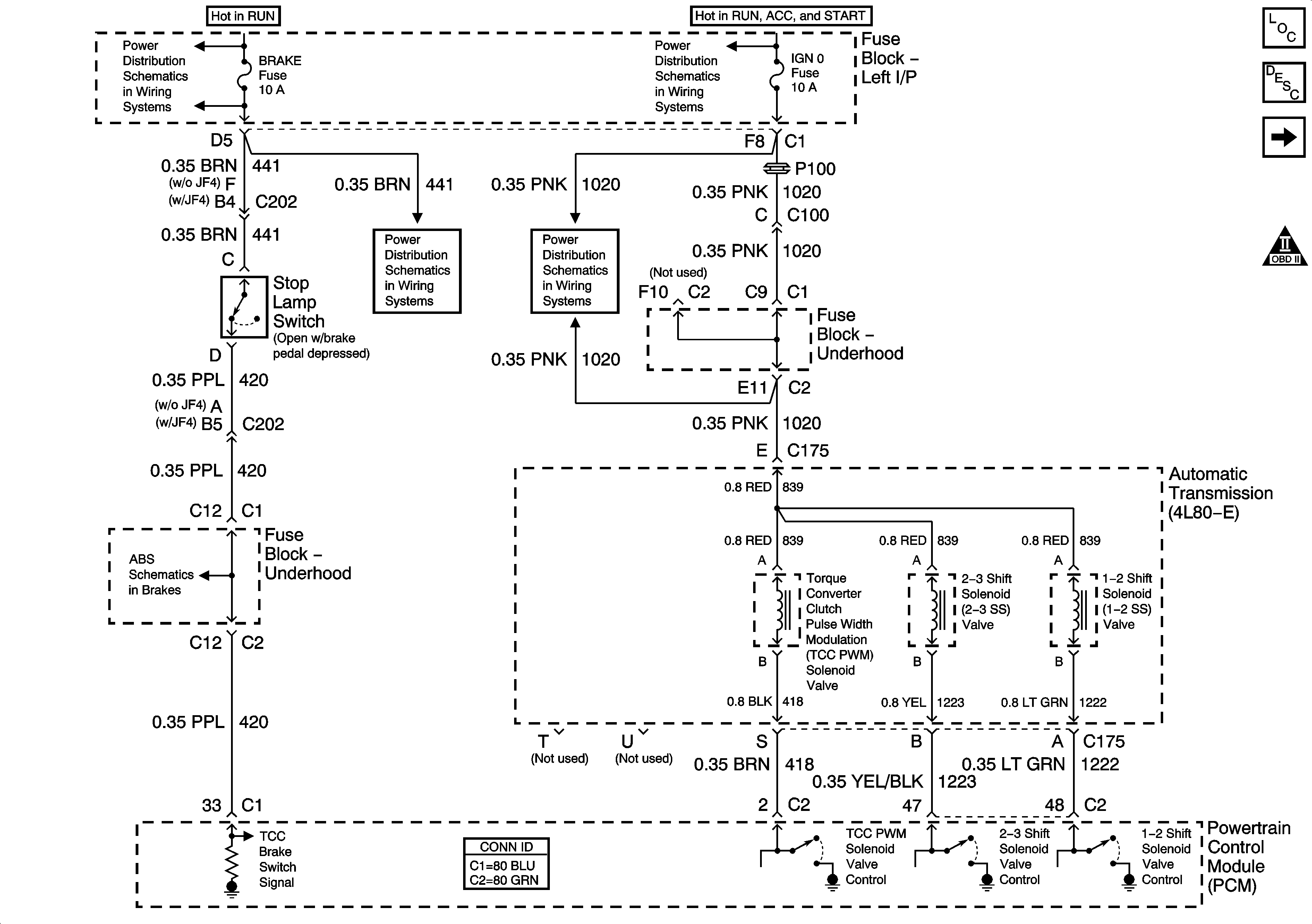
🢒 Valve Controls and Brake Switch
Valve Controls and Brake Switch
Valve Controls and Brake Switch
Master Electrical Component List
Electronic Component Description
Switch Inputs
Automatic Transmission Schematic Icons
Ignition, Run and Start Bus Bar
Ignition, Run, Start, Accy Bus Bar
BRAKE, HTR/AC, HVAC I, CRUISE, 4WD
Stoplamp Switch and Traction Control Switch
IGN 0, TBC IGN 0, TBC ACCY, SEO ACCY, WS WIPER, RR WIPER