GM Service Manual Online
For 1990-2009 cars only
Makes
🢒
Cadillac
🢒
2003
🢒
Escalade EXT
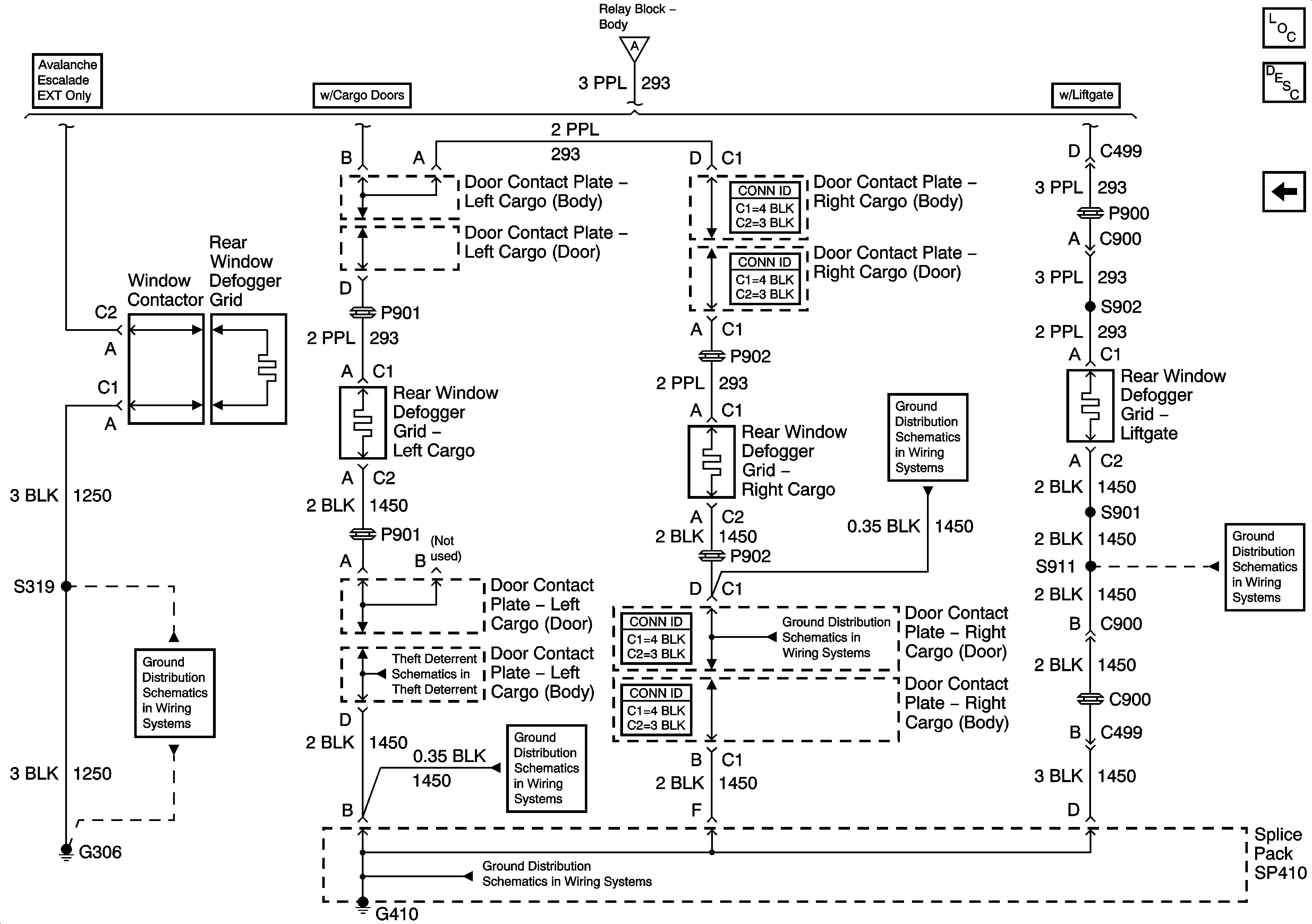
🢒 Defogger Grid and Ground
Defogger Grid and Ground
Defogger Grid and Ground
Master Electrical Component List
Rear Window Defogger Description and Operation
Rear Window Defogger Control
Rear Window Defogger Control
G306
Cargo Door and Liftgate Switches
G410 - 1 Of 3
G410 - 3 Of 3
G410 - 2 Of 3
G410 - 1 Of 3
G410 - 3 Of 3