GM Service Manual Online
For 1990-2009 cars only
Makes
🢒
Cadillac
🢒
2003
🢒
Escalade EXT
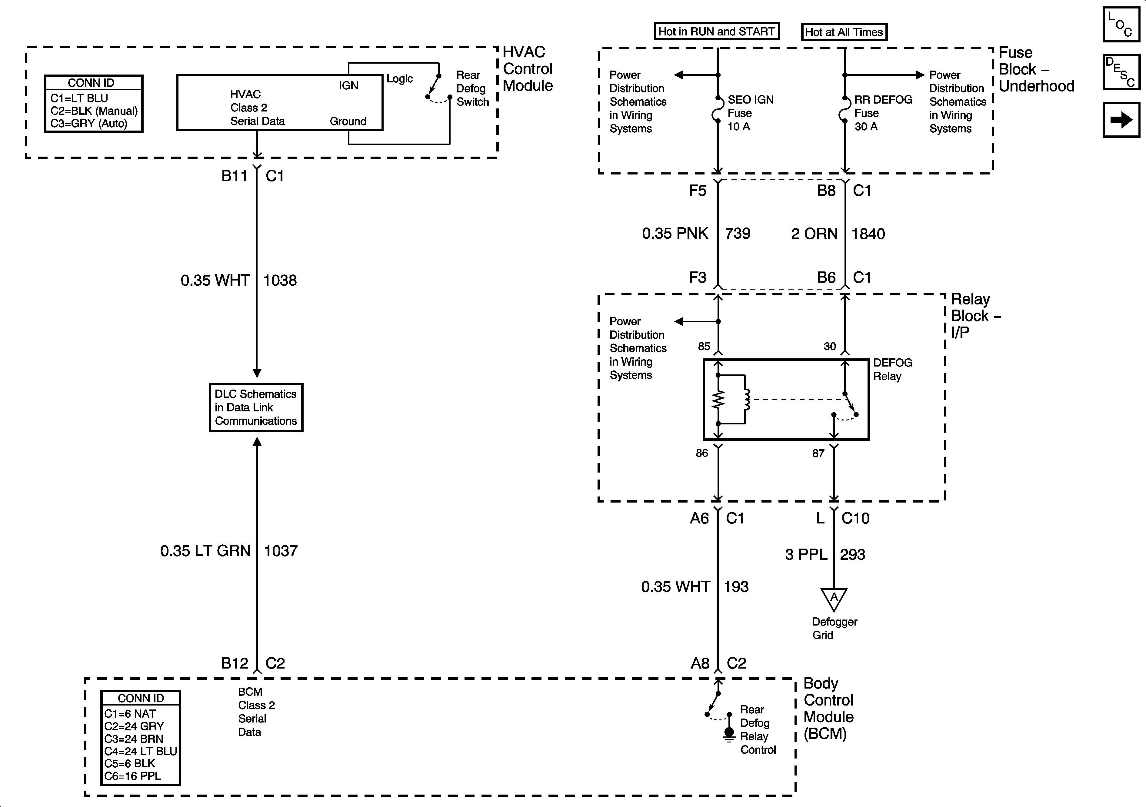
🢒 Rear Window Defogger Control
Rear Window Defogger Control
Rear Window Defogger Control
Master Electrical Component List
Rear Window Defogger Description and Operation
Defogger Grid and Ground
IGN 1 Relay Bus, SEO B2, RR DEFOG, SEO IGN, B/U LP
IGN 1 Relay Bus, SEO B2, RR DEFOG, SEO IGN, B/U LP
SP205 - 1 of 2
Defogger Grid and Ground