GM Service Manual Online
For 1990-2009 cars only
Makes
🢒
Cadillac
🢒
2003
🢒
Escalade EXT
🢒 1 of 2
1 of 2
1 of 2
Master Electrical Component List
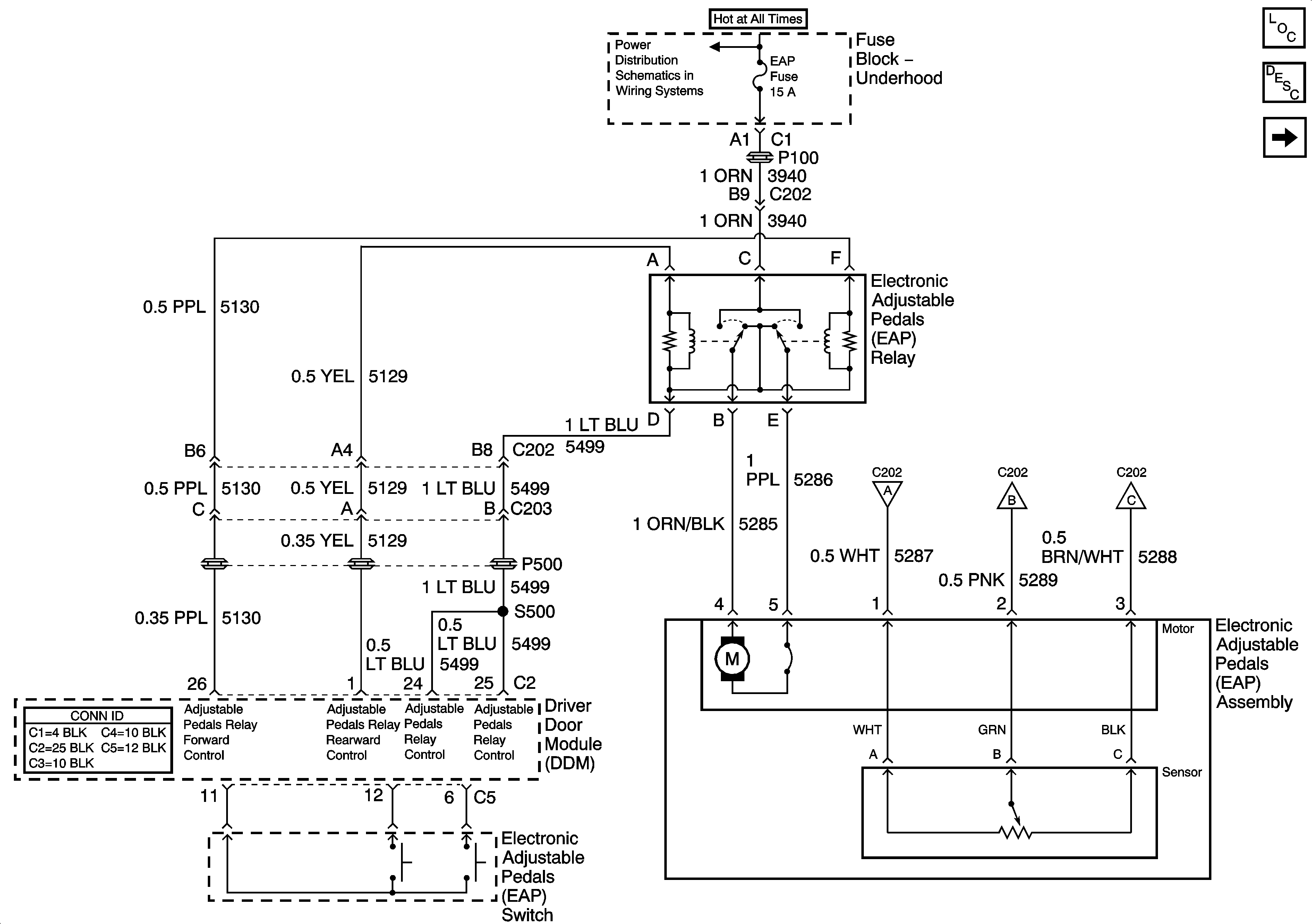
Adjustable Pedals Description and Operation
2 of 2
B+ Bus Bar - 1 of 2
2 of 2