GM Service Manual Online
For 1990-2009 cars only
Makes
🢒
Cadillac
🢒
2003
🢒
Escalade EXT
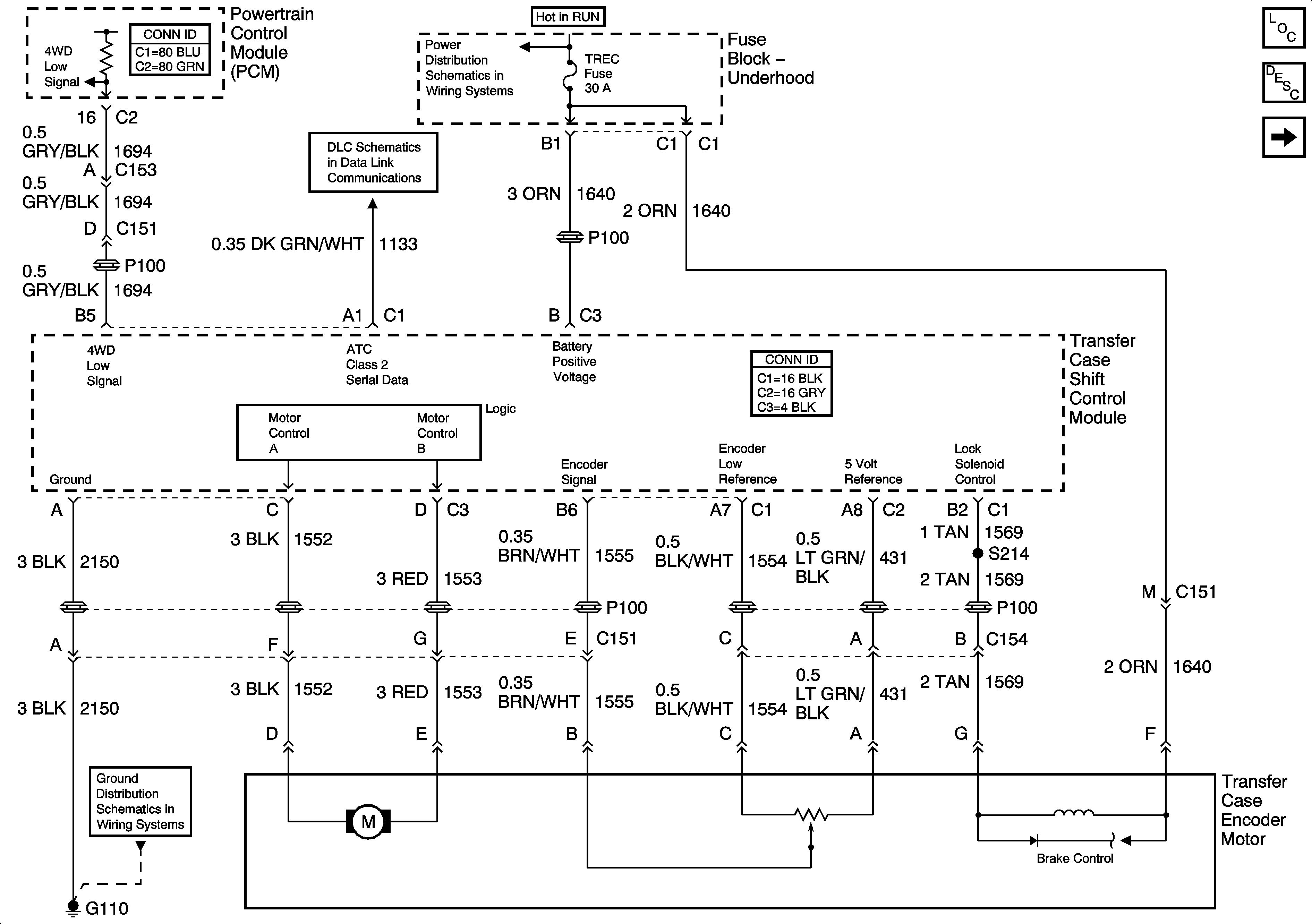
🢒 Power, Ground and Transfer Case Encoder Motor
Power, Ground and Transfer Case Encoder Motor
Power, Ground and Transfer Case Encoder Motor
Master Electrical Component List
Transfer Case Description and Operation
Propshaft Speed Sensors and Front Axle Actuator
HVAC/ECAS, RR HVAC, BLOWER, RR DEFOG, STOP LP, TREC
SP205 - 1 of 2
G110