GM Service Manual Online
For 1990-2009 cars only
Makes
🢒
Cadillac
🢒
2003
🢒
Escalade EXT
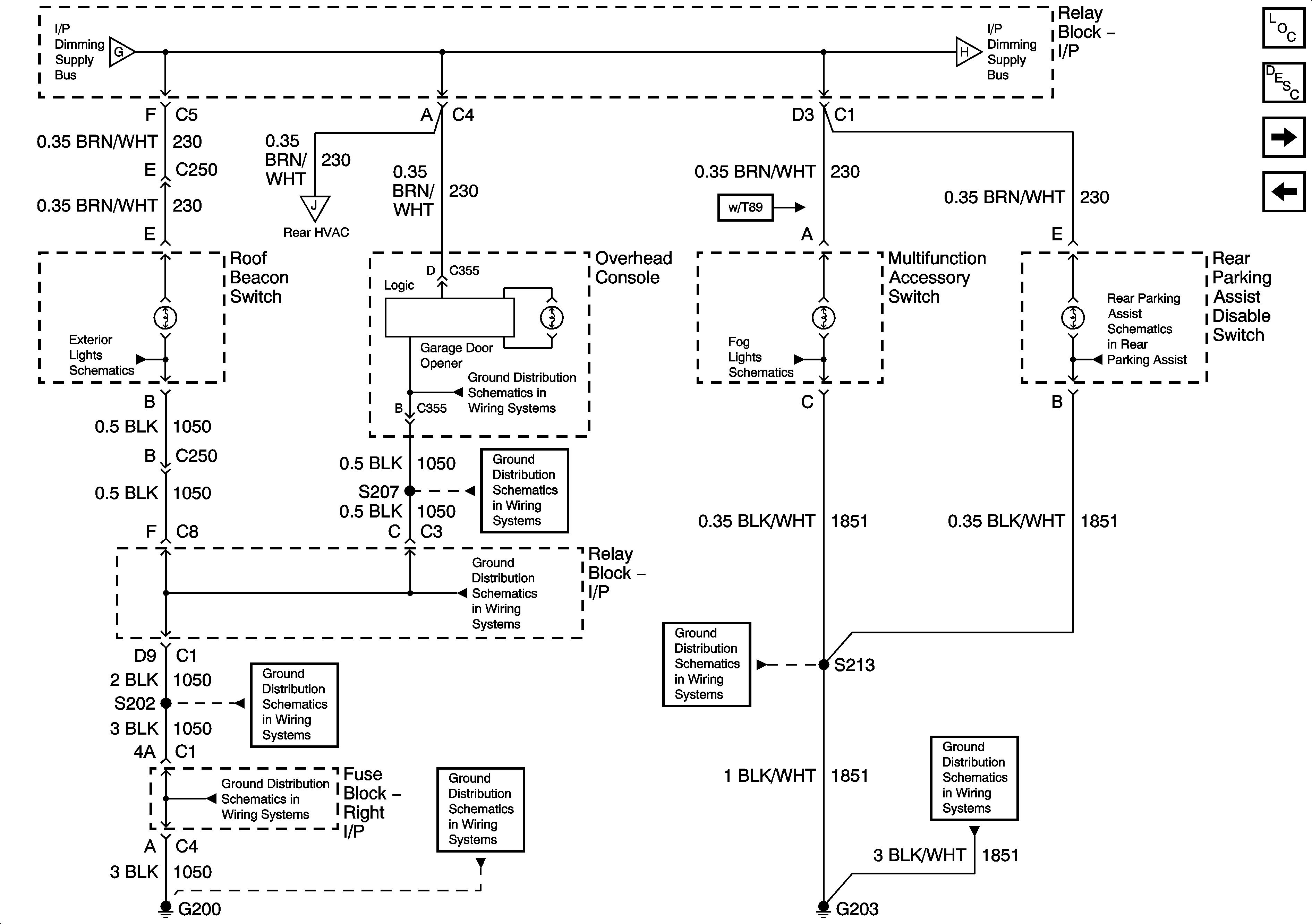
🢒 I/P Dimming Supply Voltage - 5 of 7
I/P Dimming Supply Voltage - 5 of 7
I/P Dimming Supply Voltage - 5 of 7
Master Electrical Component List
Interior Lighting Systems Description and Operation
I/P Dimming Supply Voltage - 6 of 7
I/P Dimming Supply Voltage - 4 of 7
I/P Dimming Supply Voltage - 4 of 7
I/P Dimming Supply Voltage - 7 of 7
I/P Dimming Supply Voltage - 6 of 7
G200 - 3 Of 3
G200 - 3 Of 3
G200 - 3 Of 3
G200 - 1 of 3
G200 - 1 of 3
G200 - 1 of 3
Front
Rear Object Sensor Control Module, RPA Display, RPA Disable Switch
G203 - 1 Of 2
G203 - 1 Of 2