GM Service Manual Online
For 1990-2009 cars only
Makes
🢒
Cadillac
🢒
2003
🢒
Escalade EXT
🢒 Suspension Position Sensors
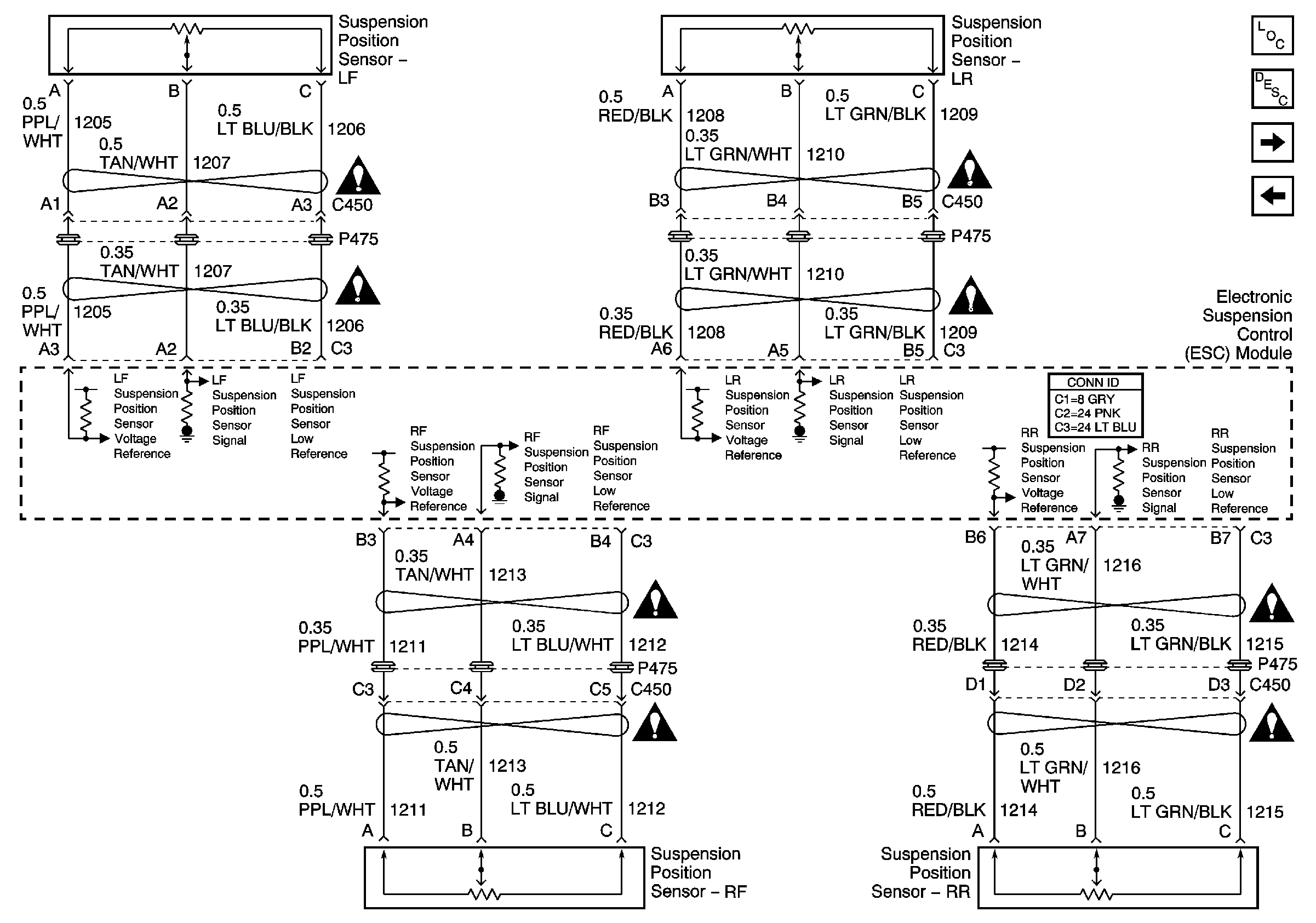
Suspension Position Sensors
Suspension Position Sensors
Master Electrical Component List
Electronic Suspension Control Description and Operation
Suspension Damper Solenoids
Steering Wheel Speed/Position Sensor Inputs