GM Service Manual Online
For 1990-2009 cars only
Makes
🢒
Cadillac
🢒
2003
🢒
Escalade EXT
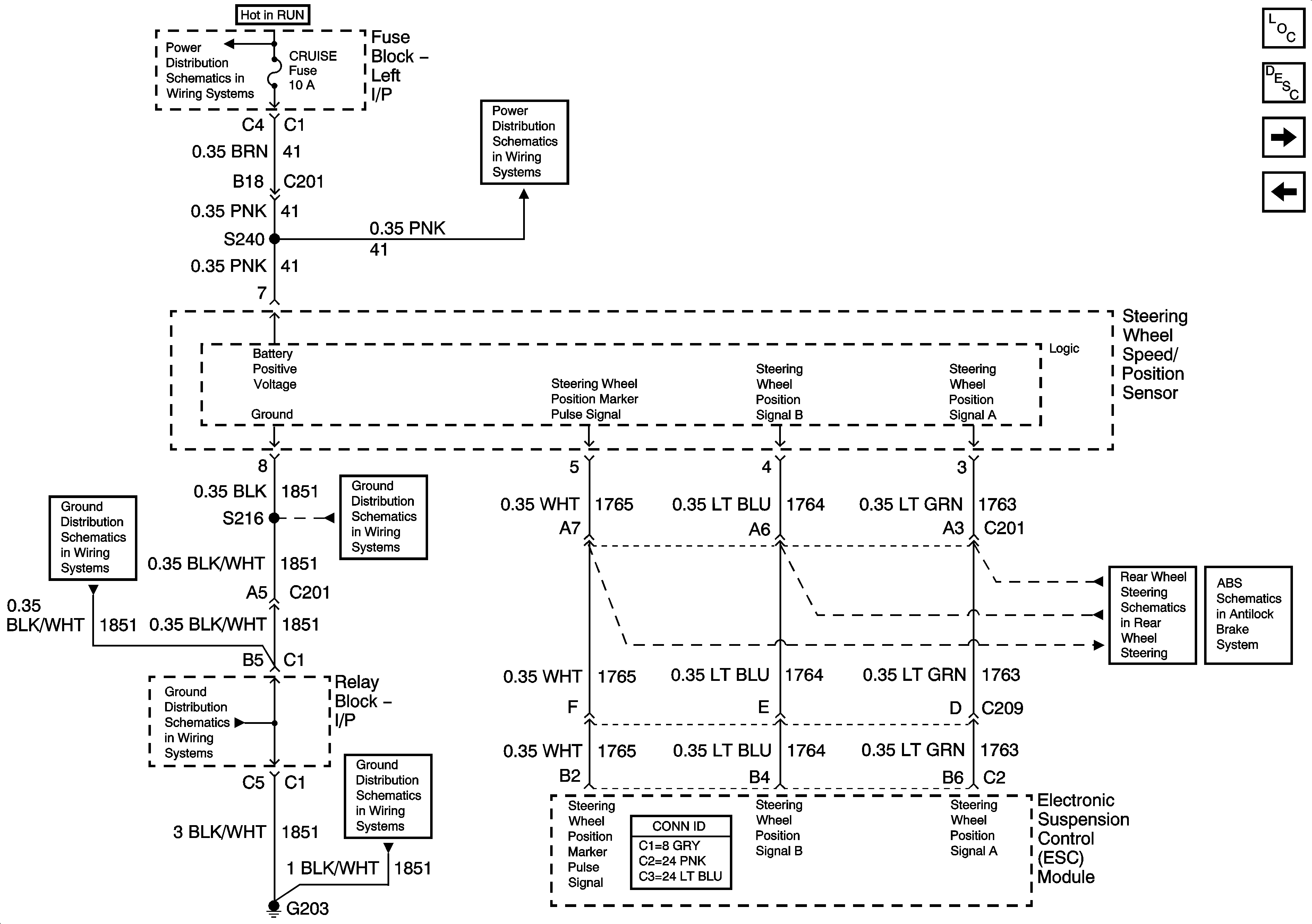
🢒 Steering Wheel Speed/Position Sensor Inputs
Steering Wheel Speed/Position Sensor Inputs
Steering Wheel Speed/Position Sensor Inputs
Master Electrical Component List
Electronic Suspension Control Description and Operation
Suspension Position Sensors
Power, Ground and DLC
BRAKE, HTR/AC, HVAC I, CRUISE, 4WD
BRAKE, HTR/AC, HVAC I, CRUISE, 4WD
G203 - 3 of 3
G203 - 1 Of 2
G203 - 1 Of 2
Steering Wheel/Speed Position Sensor
Steering Wheel Speed/Position Inputs