GM Service Manual Online
For 1990-2009 cars only
Makes
🢒
Cadillac
🢒
2003
🢒
Escalade EXT
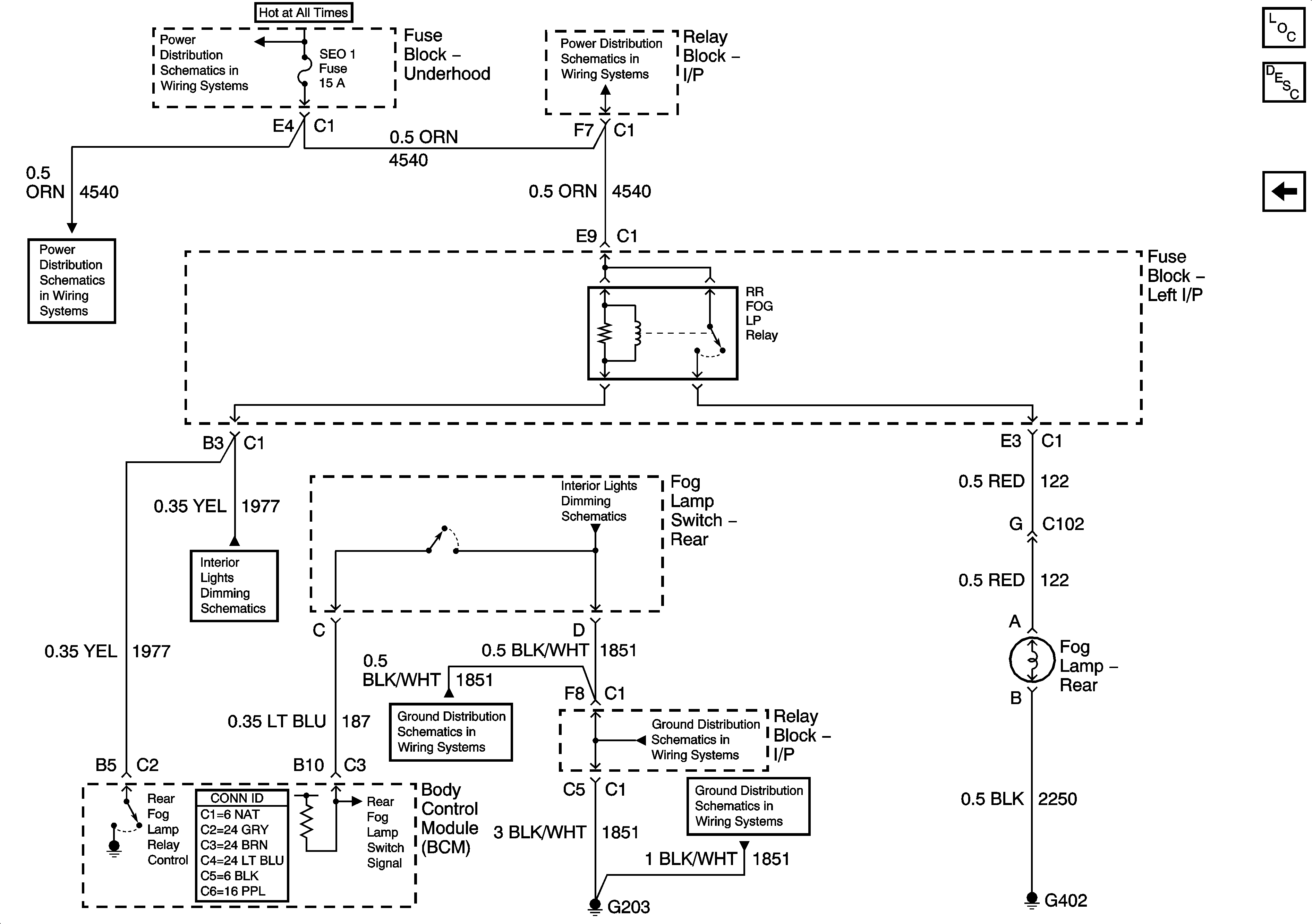
🢒 Rear - Export only
Rear - Export only
Rear - Export Only
Master Electrical Component List
Exterior Lighting Systems Description and Operation
Front
B+ Bus Bar - 1 of 2
IGN 1 Relay Bus, SEO B2, RR DEFOG, SEO IGN, B/U LP
IGN 1 Relay Bus, SEO B2, RR DEFOG, SEO IGN, B/U LP
LED Dimming Supply Voltage - 1 of 2
I/P Dimming Supply Voltage - 2 of 7
G203 - 2 Of 2
G203 - 2 Of 2
G203 - 1 Of 2