GM Service Manual Online
For 1990-2009 cars only
Makes
🢒
Cadillac
🢒
2003
🢒
Escalade EXT
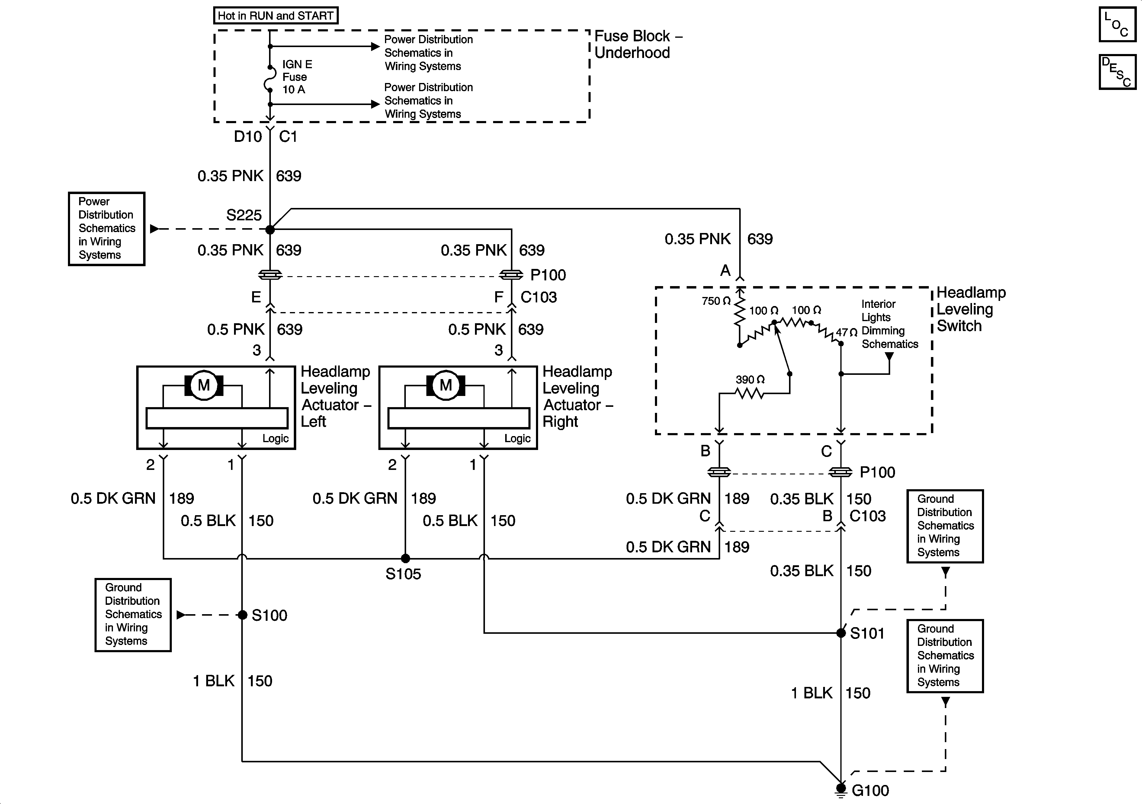
🢒 Headlight Leveling Schematics
Headlight Leveling Schematics
Master Electrical Component List
Exterior Lighting Systems Description and Operation
Ignition, Run, Start, Accy Bus Bar
IGN E
IGN E
I/P Dimming Supply Voltage - 7 of 7
S101 - Export
G100, G101, G105, G106
S100 - Export