GM Service Manual Online
For 1990-2009 cars only
Makes
🢒
Cadillac
🢒
2003
🢒
Escalade EXT
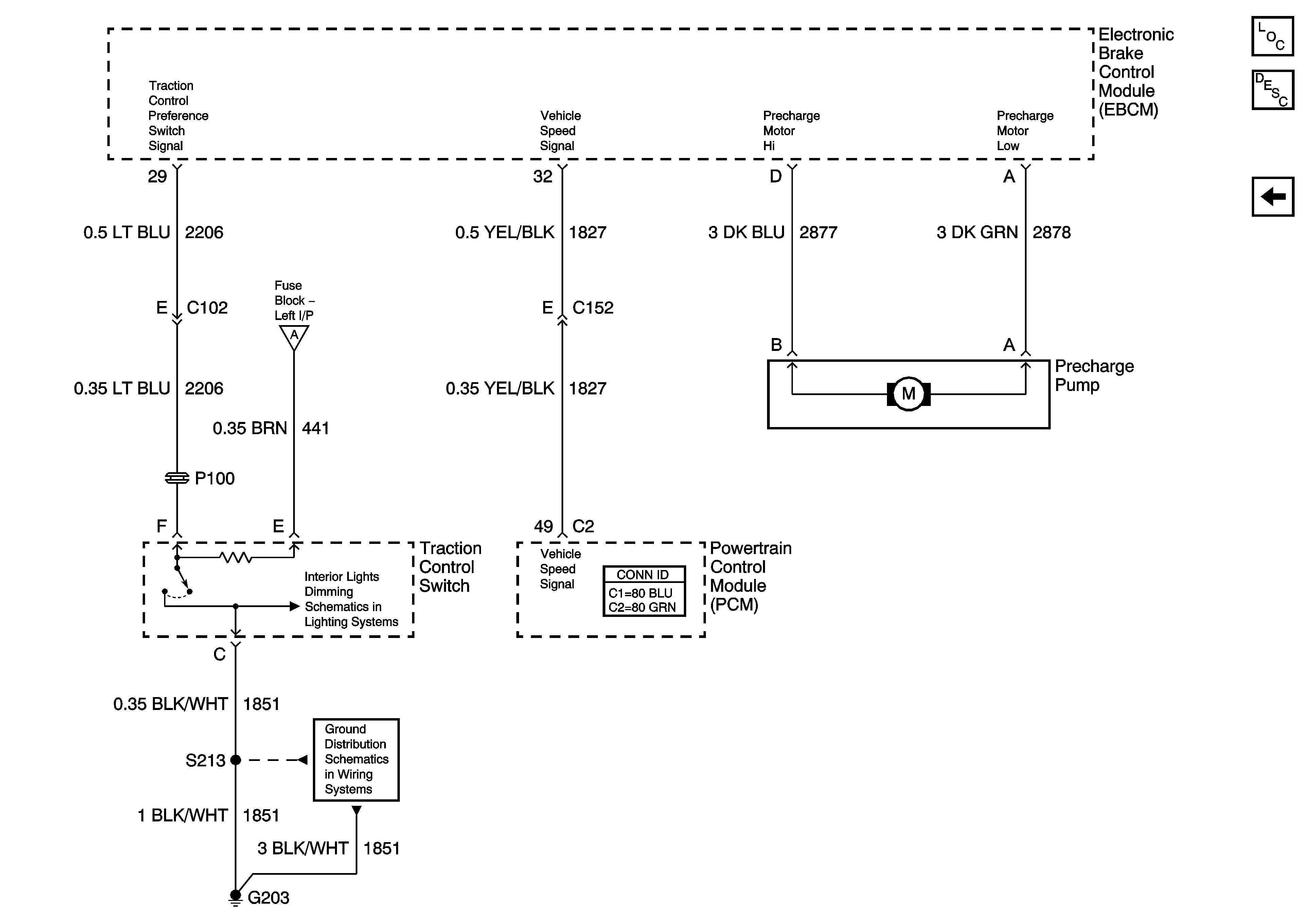
🢒 Traction Control Switch and Precharge Motor Assembly - w/VSES
Traction Control Switch and Precharge Motor Assembly - w/VSES
Traction Control Switch and Precharge Motor Assembly - w/VSES
Master Electrical Component List
ABS Description and Operation W/JL4
Steering Wheel Speed/Position Inputs
Power, Ground, Class 2, and Stoplamp Switch - w/VSES
I/P Dimming Supply Voltage - 3 of 7
G203 - 1 Of 2