GM Service Manual Online
For 1990-2009 cars only
Makes
🢒
Cadillac
🢒
2003
🢒
Escalade EXT
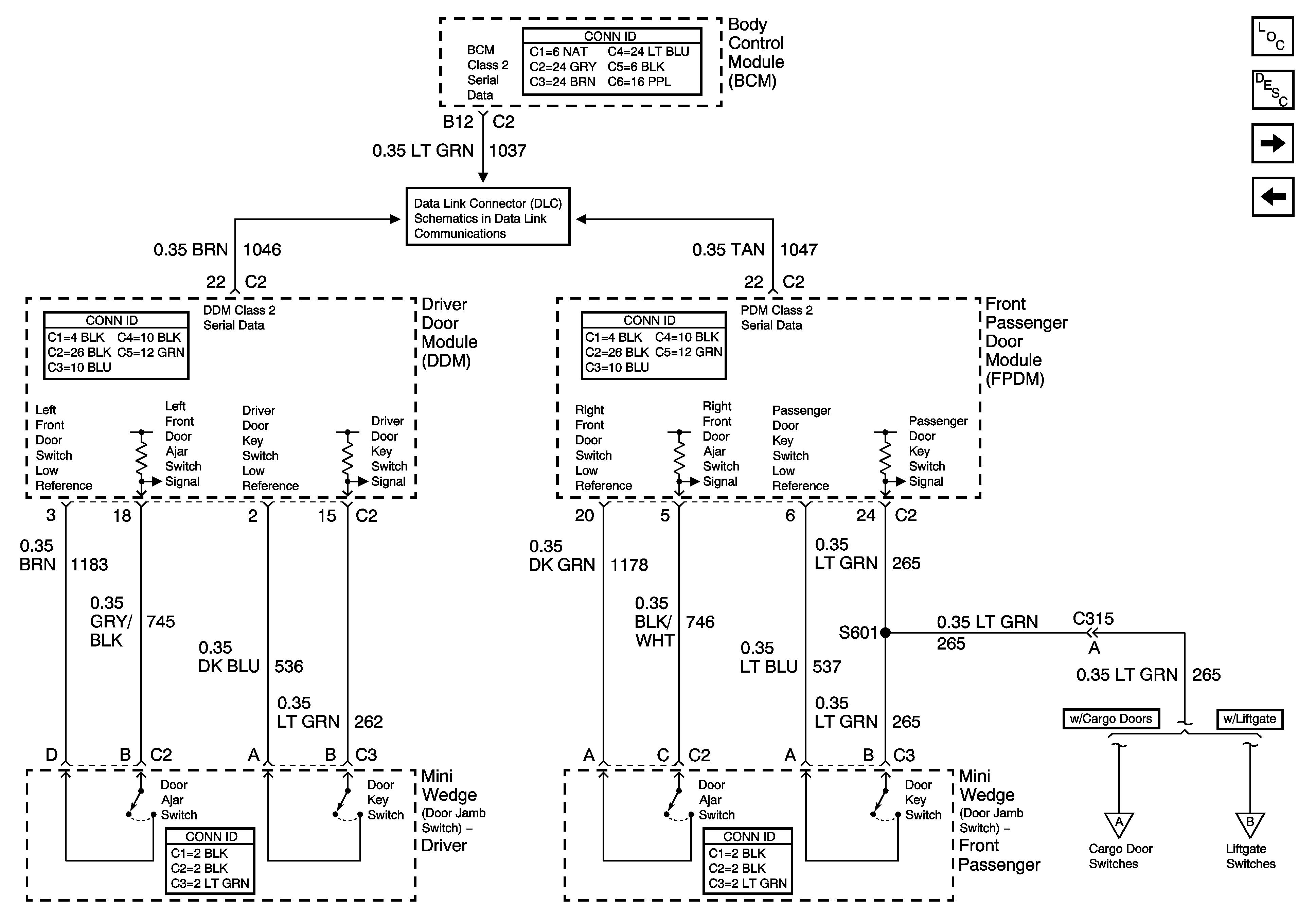
🢒 Front Door Switches
Front Door Switches
Front Door Switches
Master Electrical Component List
Theft Systems Description and Operation
Rear Door Switches
Passlock Sensor Inputs and Class 2
SP205 - 1 of 2
Cargo Door and Liftgate Switches
Cargo Door and Liftgate Switches