GM Service Manual Online
For 1990-2009 cars only
Makes
🢒
Cadillac
🢒
2003
🢒
Escalade EXT
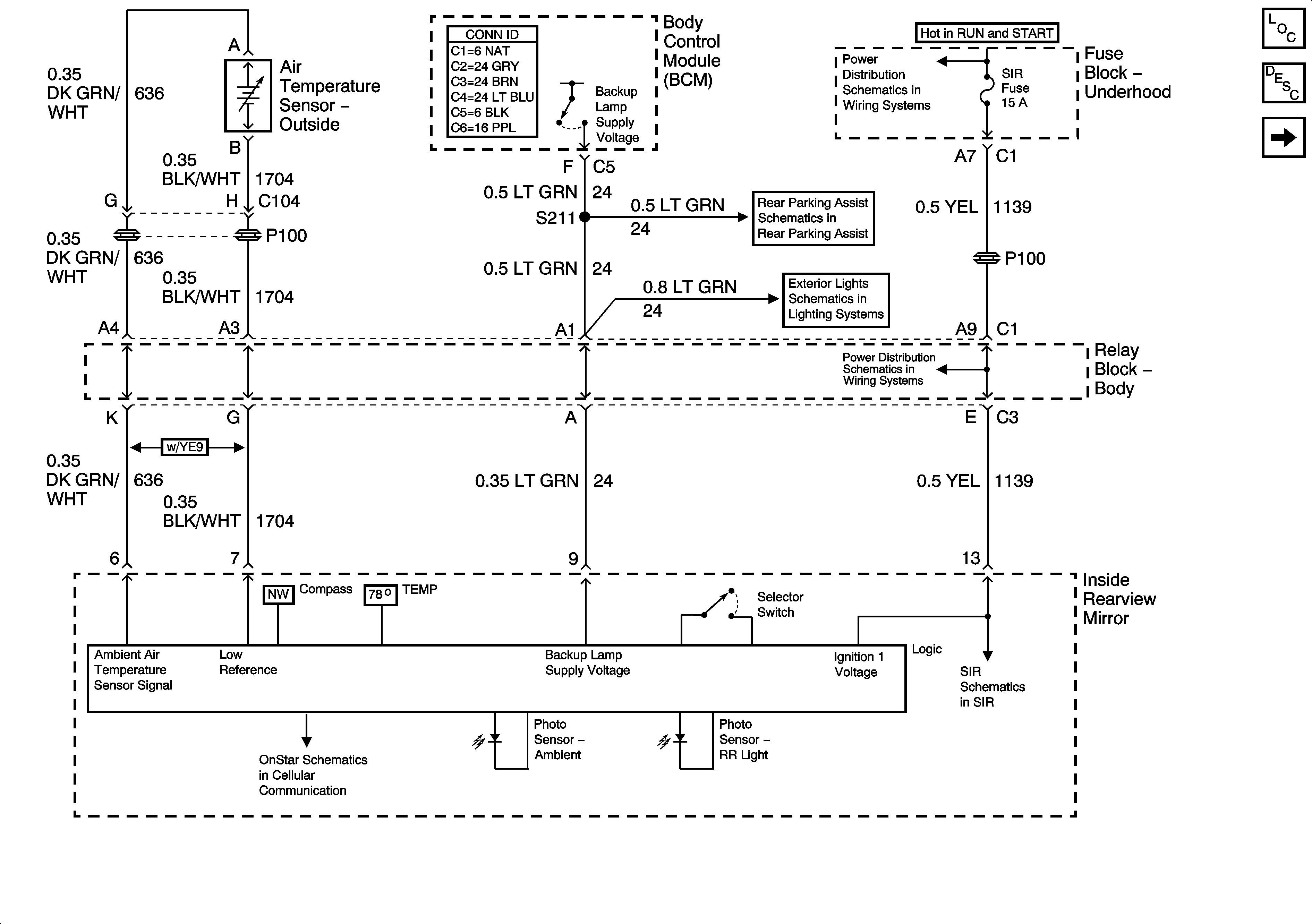
🢒 Power, Outside Air Temp, and Light Sensors
Power, Outside Air Temp, and Light Sensors
Power, Outside Air Temp, and Light Sensors
Master Electrical Component List
Automatic Day-Night Mirror Description and Operation
Ground and Electrochromic
LH HID, RT HID, PCM B, CRANK, HORN, SIR
Backup Lamps
LH HID, RT HID, PCM B, CRANK, HORN, SIR
OnStar - Except Y91
Passenger Presence Schematics - 1 of 2
Rear Object Sensor Control Module, RPA Display, RPA Disable Switch