GM Service Manual Online
For 1990-2009 cars only
Makes
🢒
Cadillac
🢒
2003
🢒
Escalade EXT
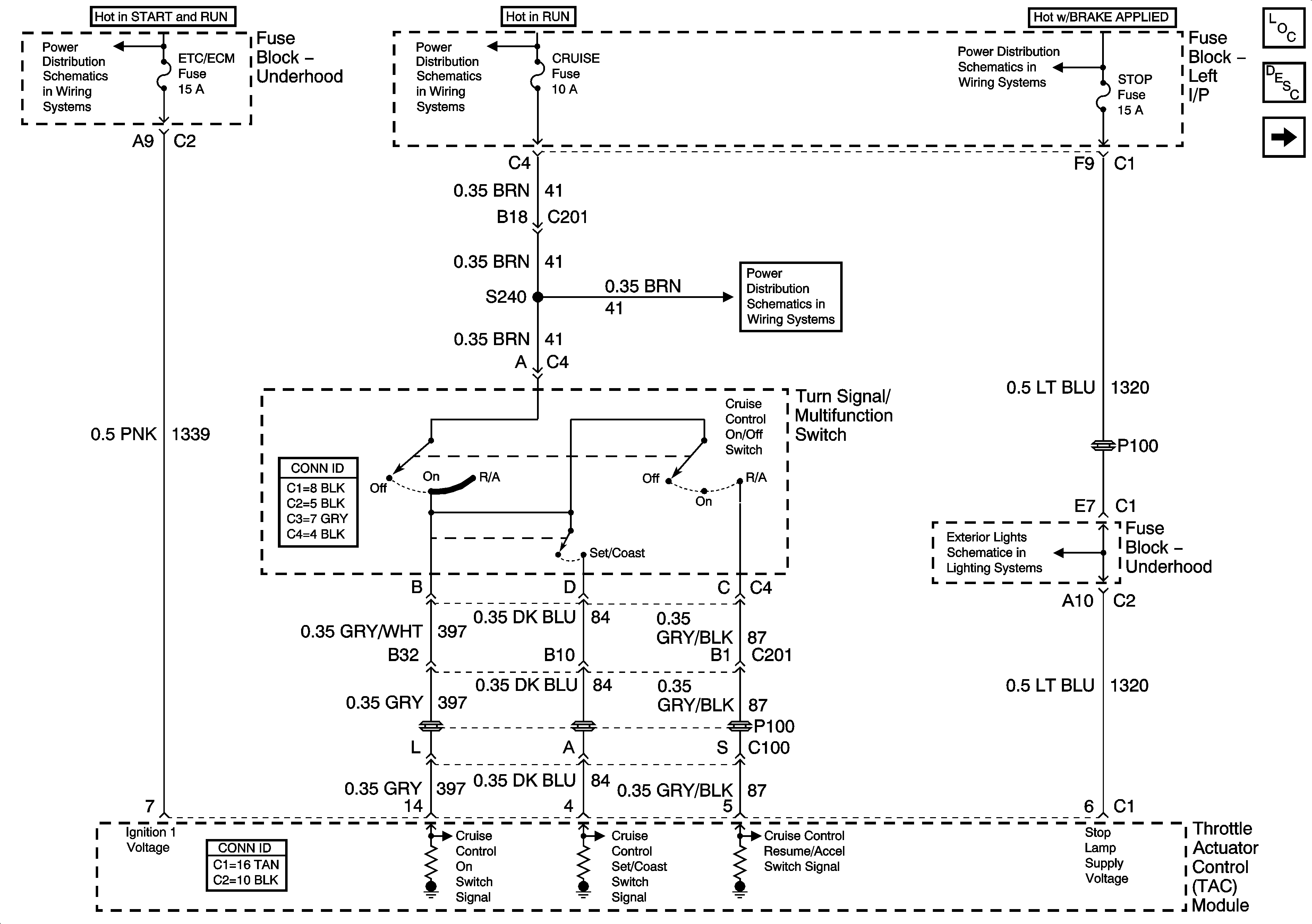
🢒 Power, Cruise Control Switch, and Stop Lamp Feed
Power, Cruise Control Switch, and Stop Lamp Feed
Power, Cruise Control Switch, and Stop Lamp Feed
Master Electrical Component List
Cruise Control Description and Operation
Ground and Class 2 Serial Data
SBA, ETC/ECM, PCM 1, BTSI, TRL B/U
BRAKE, HTR/AC, HVAC I, CRUISE, 4WD
FLASH
BRAKE, HTR/AC, HVAC I, CRUISE, 4WD