GM Service Manual Online
For 1990-2009 cars only
Makes
🢒
Cadillac
🢒
2003
🢒
Escalade EXT
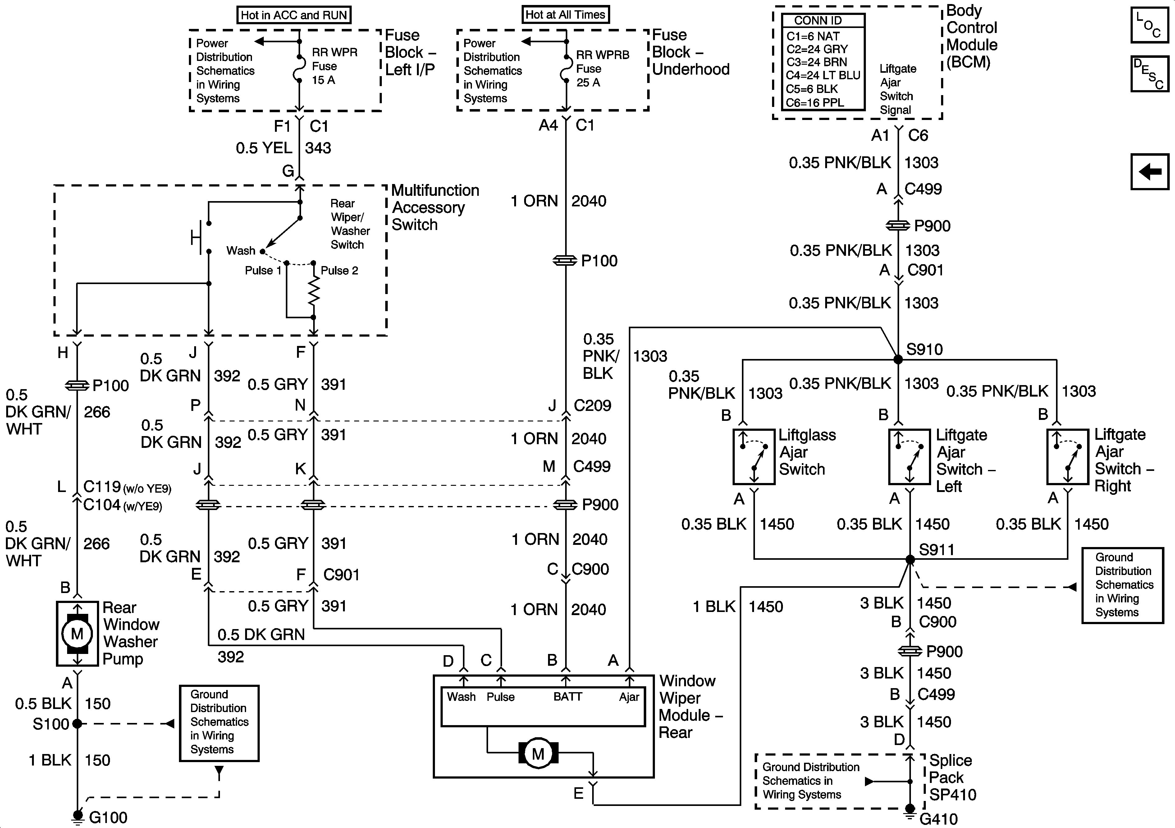
🢒 Rear Wiper/Washer Control
Rear Wiper/Washer Control
Rear Wiper/Washer Control
Master Electrical Component List
Rear Wiper/Washer System Description and Operation
Front Wiper/Washer Control - 2 of 2
IGN 0, TBC IGN 0, TBC ACCY, SEO ACCY, WS WIPER, RR WIPER
RTD, RR WPR, EAP, SUNROOF, IPC/DIC, SEO B1
G100, G101, G105, G106
G410 - 2 Of 3
G410 - 1 Of 3