GM Service Manual Online
For 1990-2009 cars only
Makes
🢒
Cadillac
🢒
2003
🢒
Escalade EXT
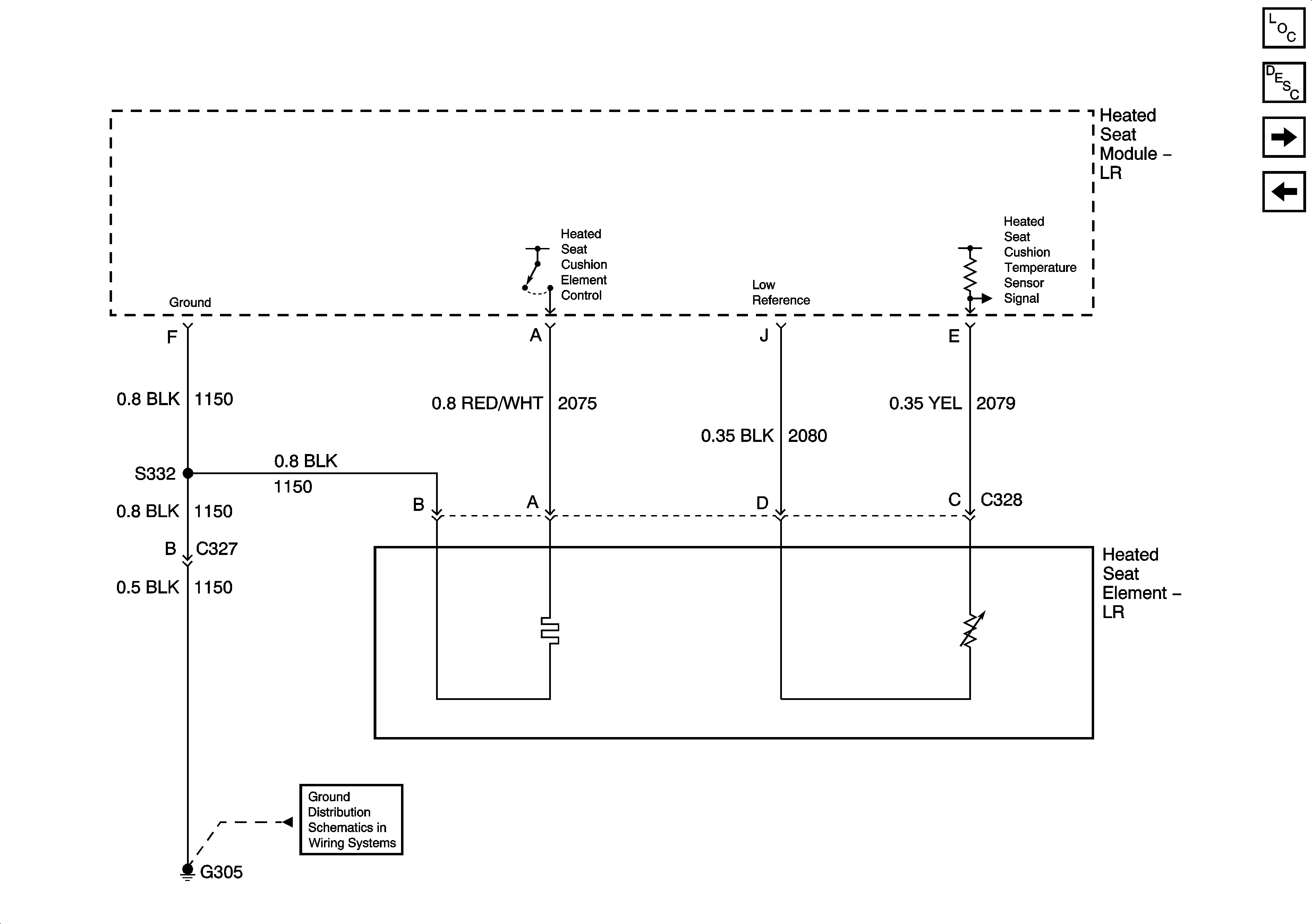
🢒 Rear Heated Seats - 2 of 3
Rear Heated Seats - 2 of 3
Rear Heated Seats (2 of 3)
Master Electrical Component List
Heated Seats Description and Operation Rear
Rear Heated Seats - 3 of 3
Rear Heated Seats - 1 of 3
G304, G305