GM Service Manual Online
For 1990-2009 cars only
Makes
🢒
Cadillac
🢒
2003
🢒
Escalade EXT
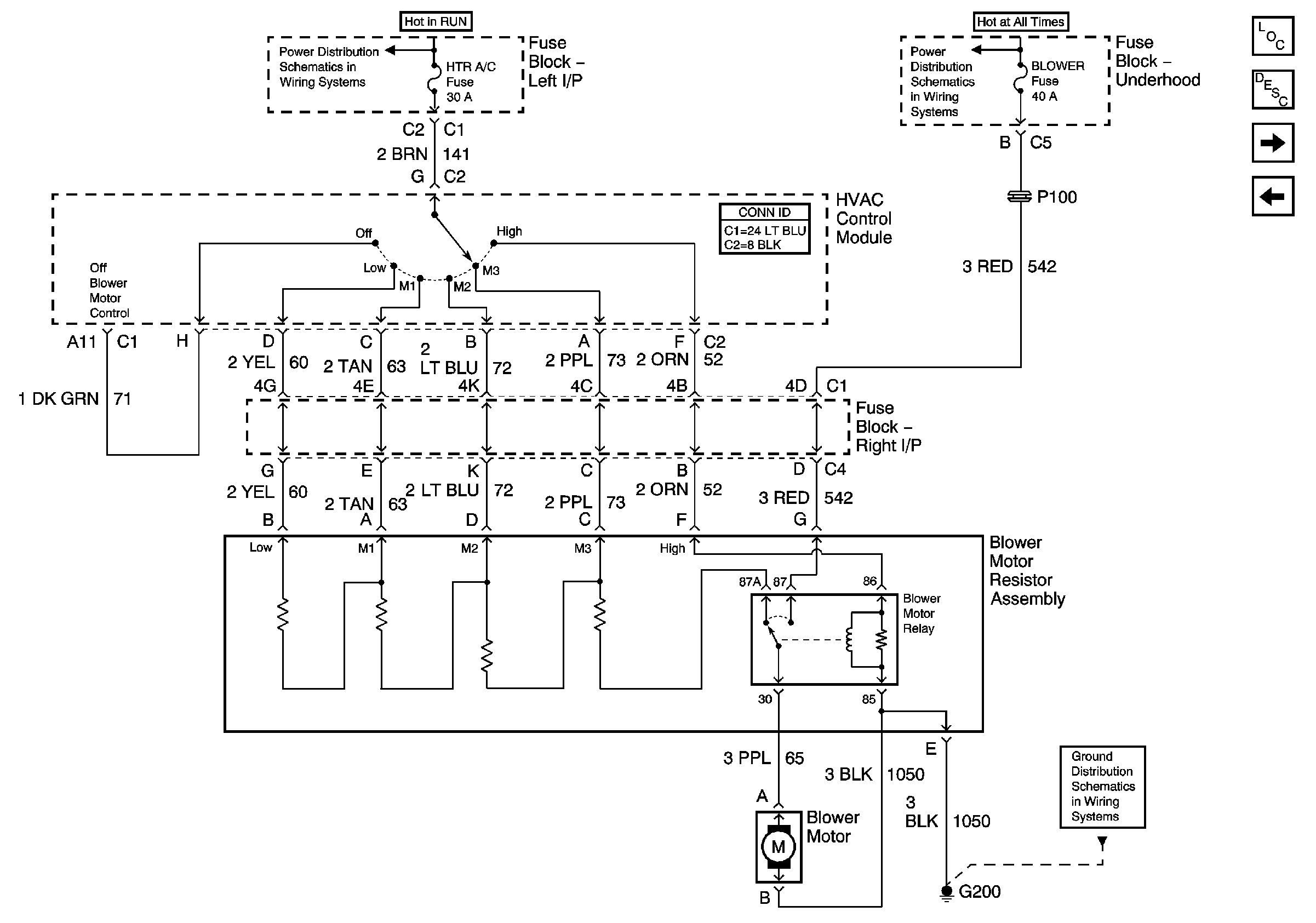
🢒 Front Blower Controls
Front Blower Controls
Front Blower Controls
Master Electrical Component List
Air Delivery Description and Operation
Front Left and Right Temperature Control
Power, Ground, Class 2, and Ambient Light Sensor
BRAKE, HTR/AC, HVAC I, CRUISE, 4WD
HVAC/ECAS, RR HVAC, BLOWER, RR DEFOG, STOP LP, TREC
G200 - 1 of 3