GM Service Manual Online
For 1990-2009 cars only
Makes
🢒
Cadillac
🢒
2003
🢒
Escalade EXT
🢒 Auxiliary HVAC w/ A/C - 2 of 2
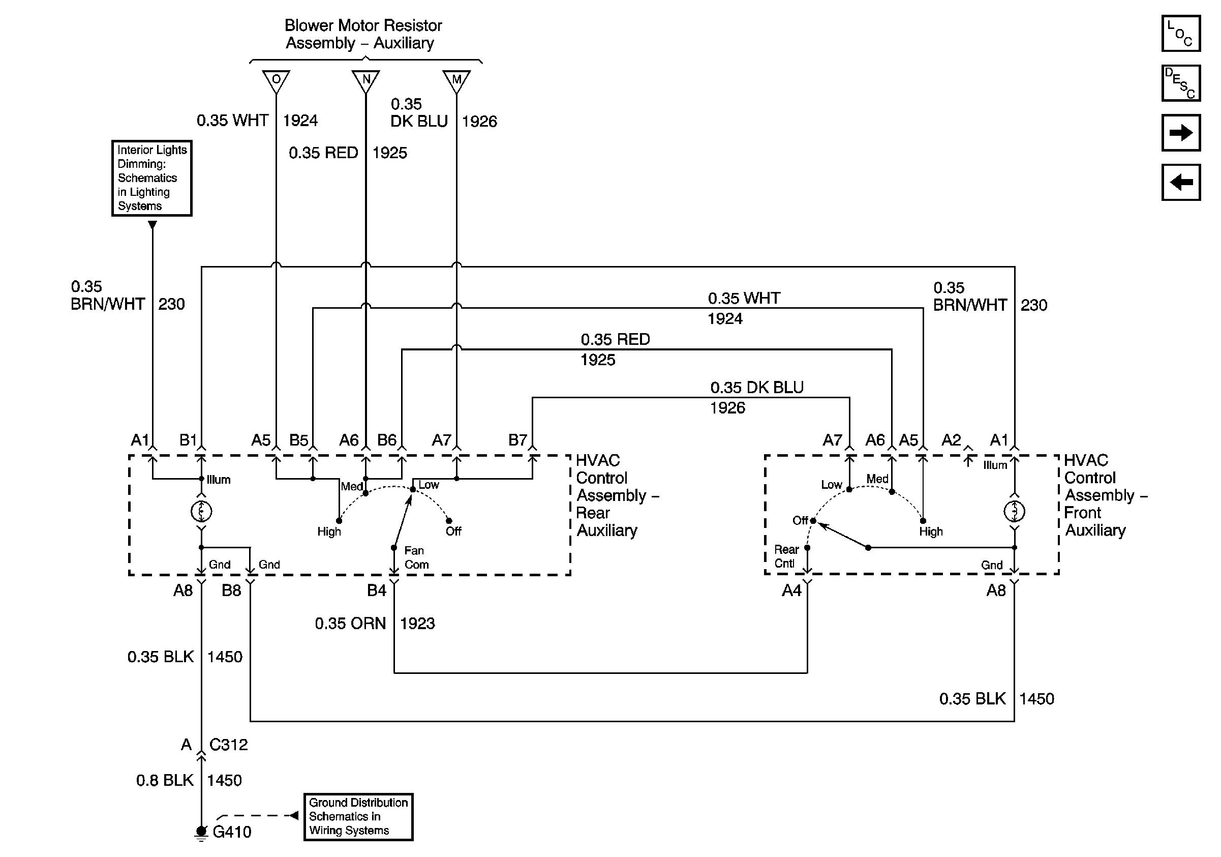
Auxiliary HVAC w/ A/C - 2 of 2
Auxiliary HVAC w/ A/C - 2 of 2
Master Electrical Component List
Air Delivery Description and Operation
A/C Compressor Controls
Auxiliary HVAC w/ A/C - 1 of 2
Auxiliary HVAC w/ A/C - 1 of 2
I/P Dimming Supply Voltage - 6 of 7
G410 - 1 Of 3