GM Service Manual Online
For 1990-2009 cars only
Makes
🢒
Cadillac
🢒
2003
🢒
Escalade EXT
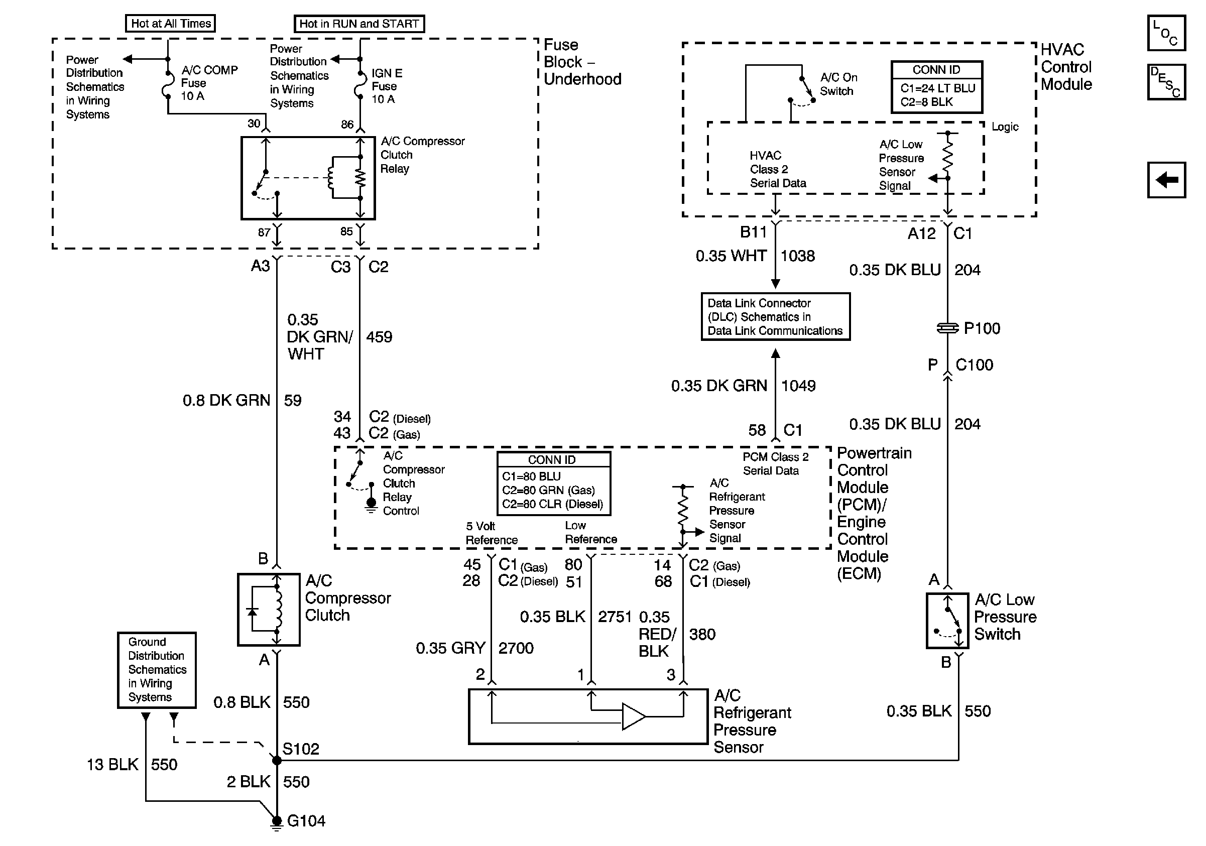
🢒 A/C Compressor Controls
A/C Compressor Controls
A/C Compressor Controls
Master Electrical Component List
Air Delivery Description and Operation
Auxiliary HVAC w/ A/C - 2 of 2
B+ Bus Bar - 2 of 2
IGN E
SP205 - 1 of 2
G104, G107