GM Service Manual Online
For 1990-2009 cars only
Makes
🢒
Cadillac
🢒
2003
🢒
Escalade EXT
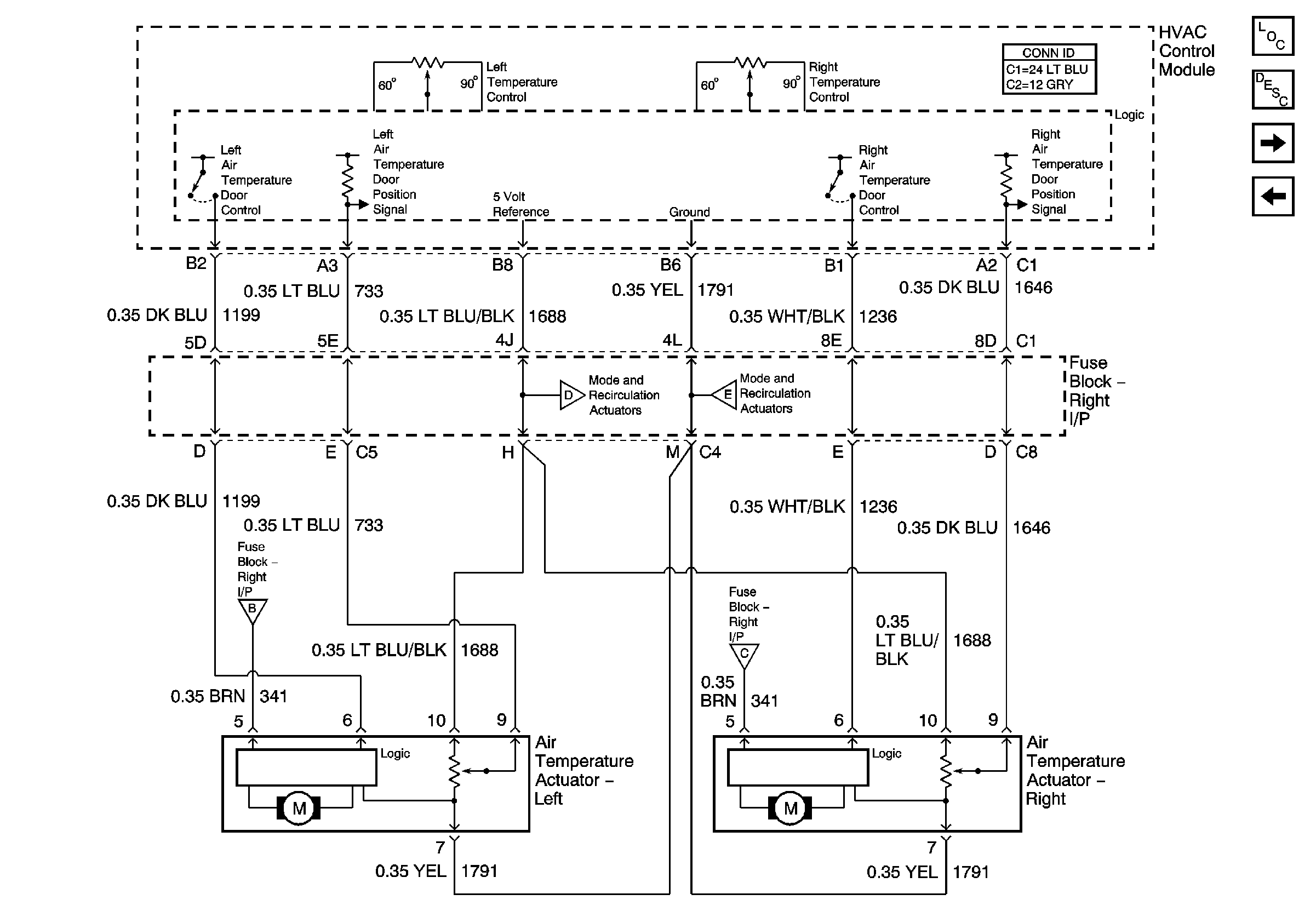
🢒 Front Left and Right Temperature Control
Front Left and Right Temperature Control
Front Left and Right Temperature Control
Master Electrical Component List
Air Delivery Description and Operation
Recirculation and Mode Door Controls
Sun Load and Ambient Light Sensors
Recirculation and Mode Door Controls
Recirculation and Mode Door Controls
Recirculation and Mode Door Controls
Recirculation and Mode Door Controls