GM Service Manual Online
For 1990-2009 cars only
Makes
🢒
Cadillac
🢒
2003
🢒
Escalade EXT
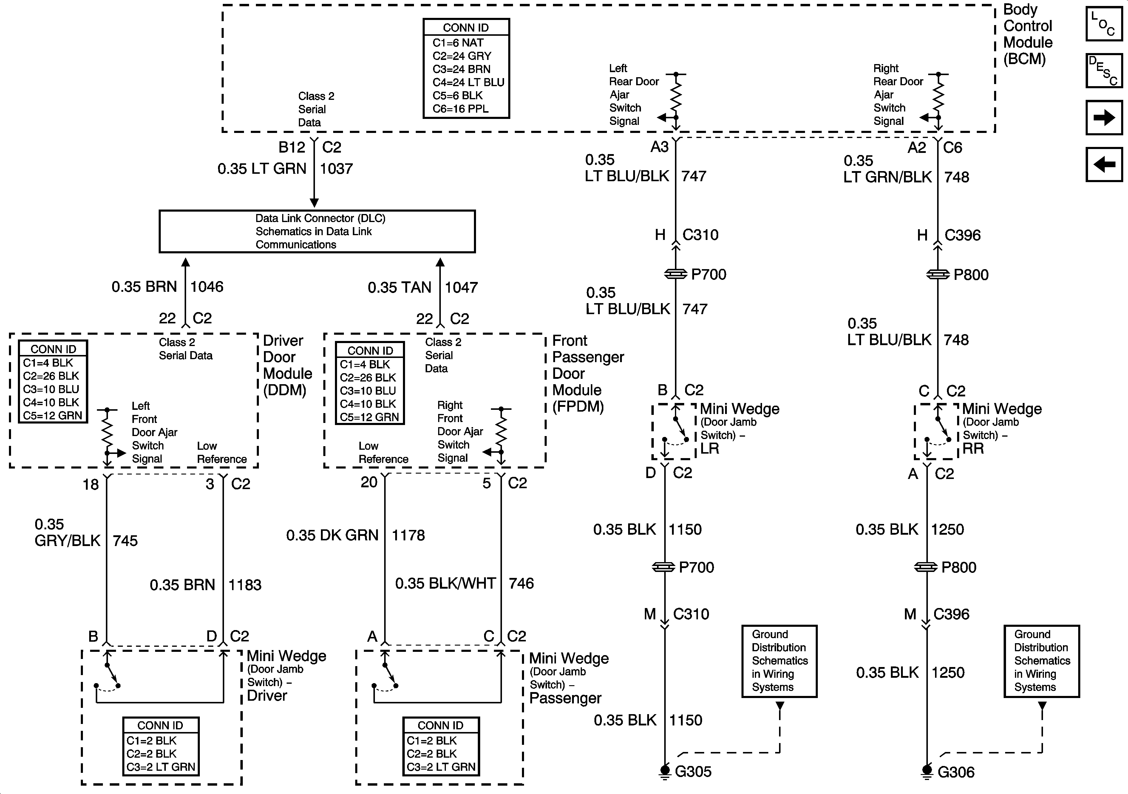
🢒 Door Jamb Switches - 1 of 2
Door Jamb Switches - 1 of 2
Door Jamb Switches - 1 of 2
Master Electrical Component List
Interior Lighting Systems Description and Operation
Door Jamb Switches - 2 of 2
Courtesy Lamp Supply Voltage - 4 of 4
SP205 - 1 of 2
G304, G305
G306