GM Service Manual Online
For 1990-2009 cars only
Makes
🢒
Cadillac
🢒
2003
🢒
Escalade EXT
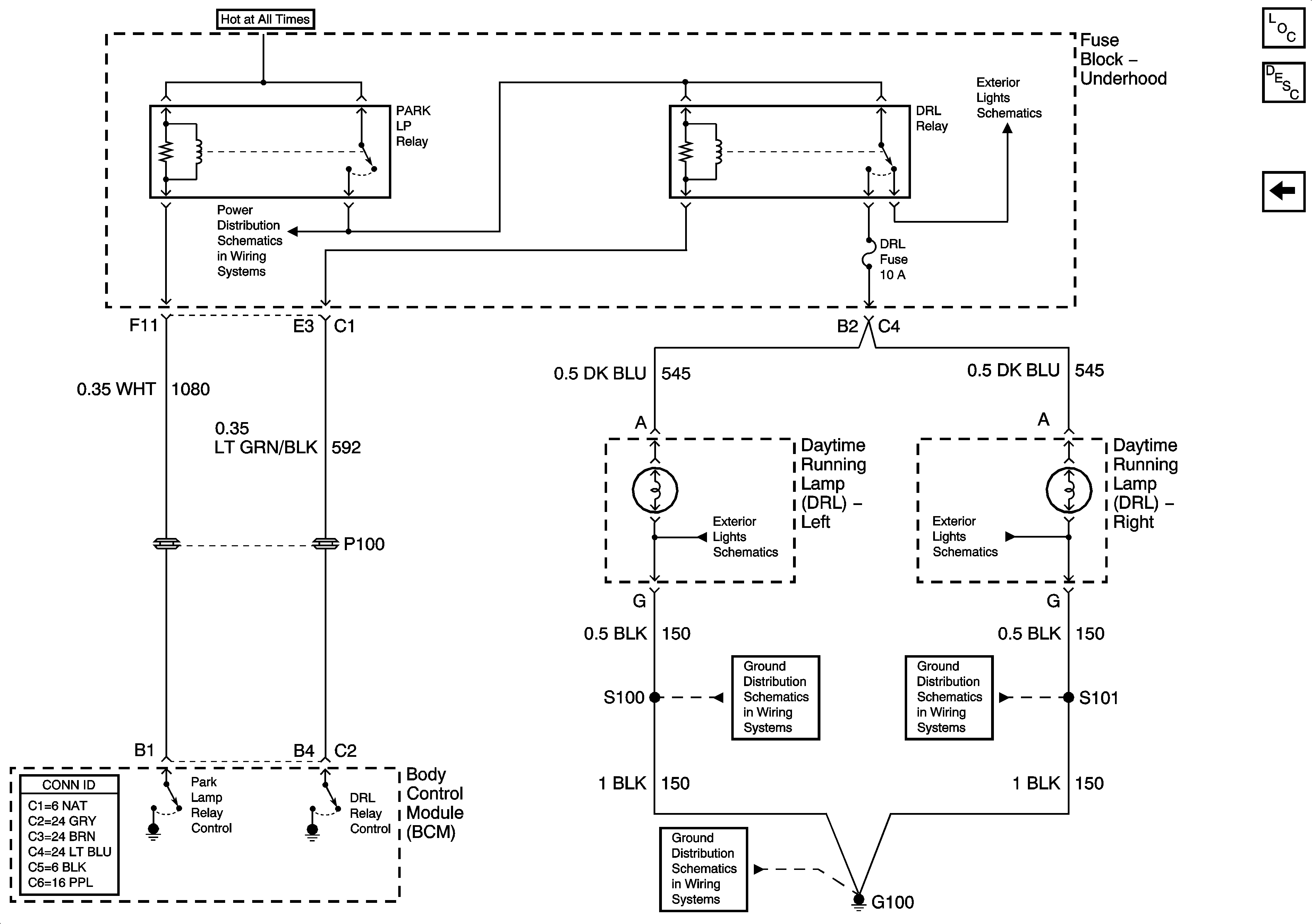
🢒 Daytime Running Lamps (DRL) - Export
Daytime Running Lamps (DRL) - Export
Daytime Running Lamps (DRL) - Export
Master Electrical Component List
Exterior Lighting Systems Description and Operation
Daytime Running Lamps (DRl) - Domestic
B+ Bus Bar - 2 of 2
Park Lamp Relay - Export
Front Park Lamps - Export
Front Park Lamps - Export
S100 - Export
S101 - Export
G100, G101, G105, G106