GM Service Manual Online
For 1990-2009 cars only
Makes
🢒
Cadillac
🢒
2004
🢒
Escalade EXT
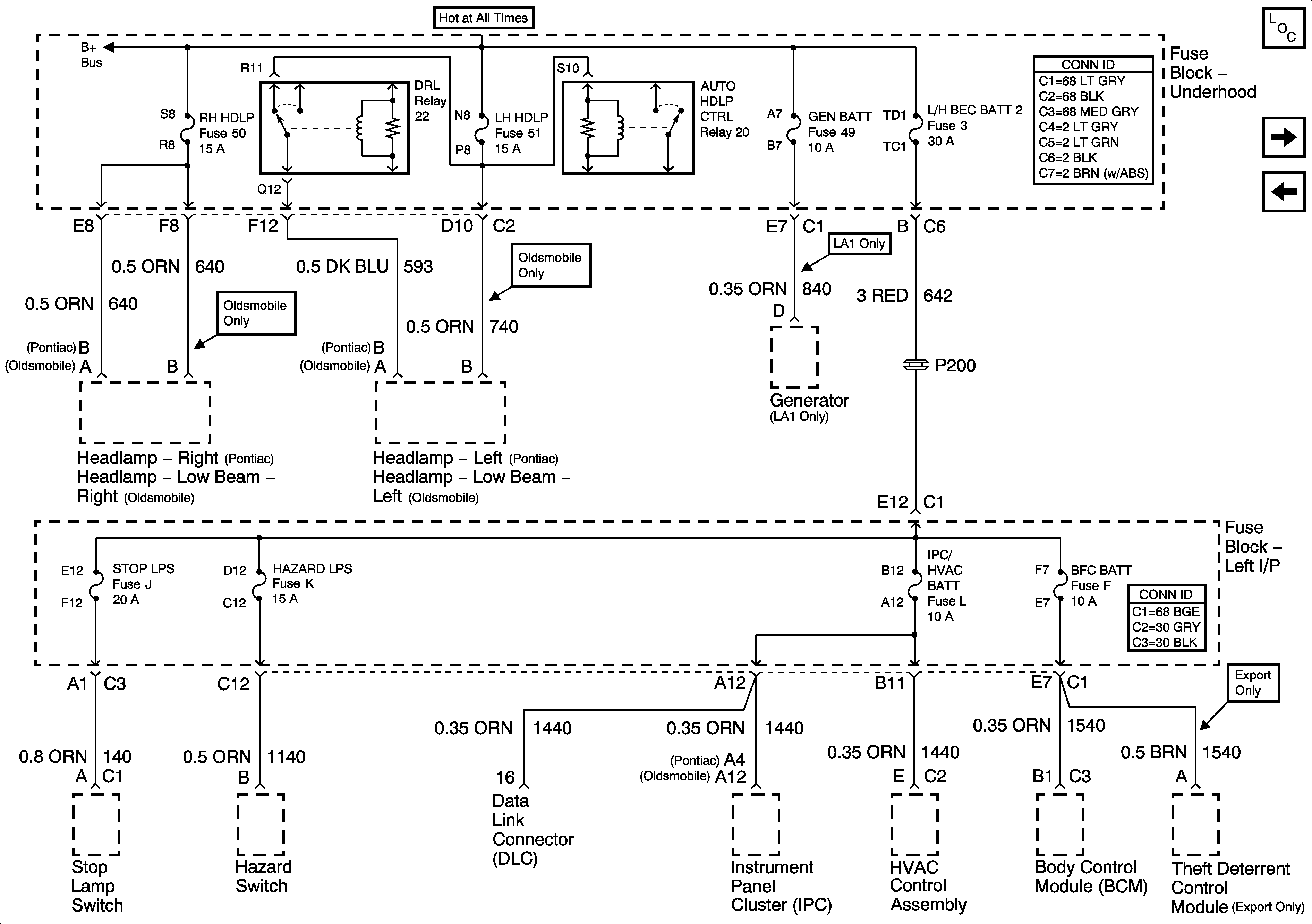
🢒 RH HDLP, LH HDLP, GEN BATT, LH BEC BATT2, STOP LPS, HAZARD LPS, IPC/HVAC BATT, BFC BATT Fuses
RH HDLP, LH HDLP, GEN BATT, LH BEC BATT2, STOP LPS, HAZARD LPS, IPC/HVAC BATT, BFC BATT Fuses
RH HDLP, LH HDLP, GEN BATT, LH BEC BATT2, STOP LPS, HAZARD LPS, IPC/HVAC BATT, BFC BATT Fuses
Master Electrical Component List
R/H BEC BATT, ABS, COOL FAN #2 GROUND (V6), INT LPS, RADIO BATT, FOG LPS Fuses
LT TAIL LP, RT TAIL LP and INST LPS Fuses - Export Only
B+ Bus Bar