GM Service Manual Online
For 1990-2009 cars only
Makes
🢒
Cadillac
🢒
2004
🢒
Escalade EXT
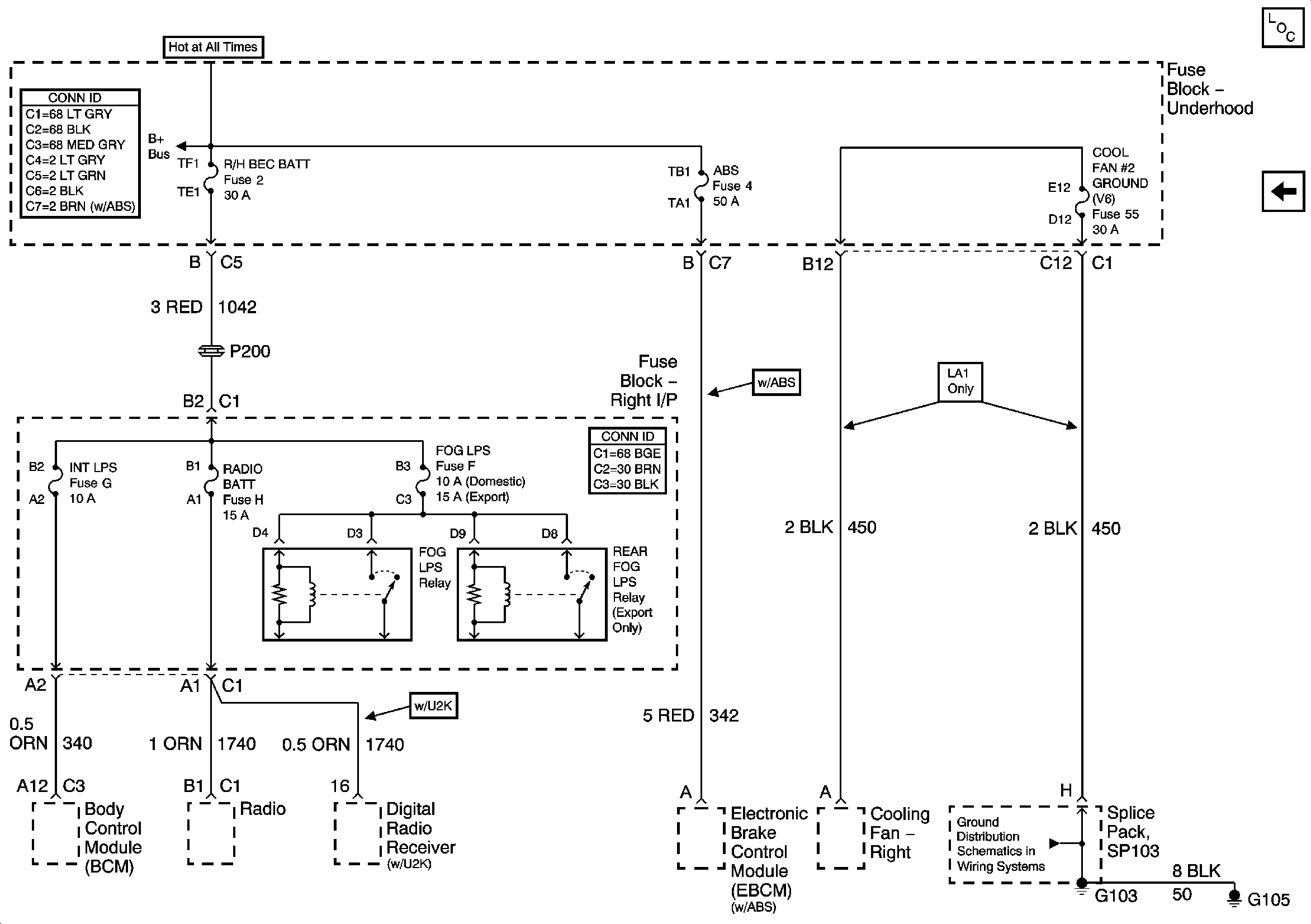
🢒 R/H BEC BATT, ABS, COOL FAN #2 GROUND (V6), INT LPS, RADIO BATT, FOG LPS Fuses
R/H BEC BATT, ABS, COOL FAN #2 GROUND (V6), INT LPS, RADIO BATT, FOG LPS Fuses
RH BEC BATT, ABS, COOL FAN (V6) GROUND, INT LPS, RADIO BATT, FOG LPS Fuses
Master Electrical Component List
RH HDLP, LH HDLP, GEN BATT, LH BEC BATT2, STOP LPS, HAZARD LPS, IPC/HVAC BATT, BFC BATT Fuses
B+ Bus Bar
G103 and G105