GM Service Manual Online
For 1990-2009 cars only
Makes
🢒
Cadillac
🢒
2004
🢒
Escalade EXT
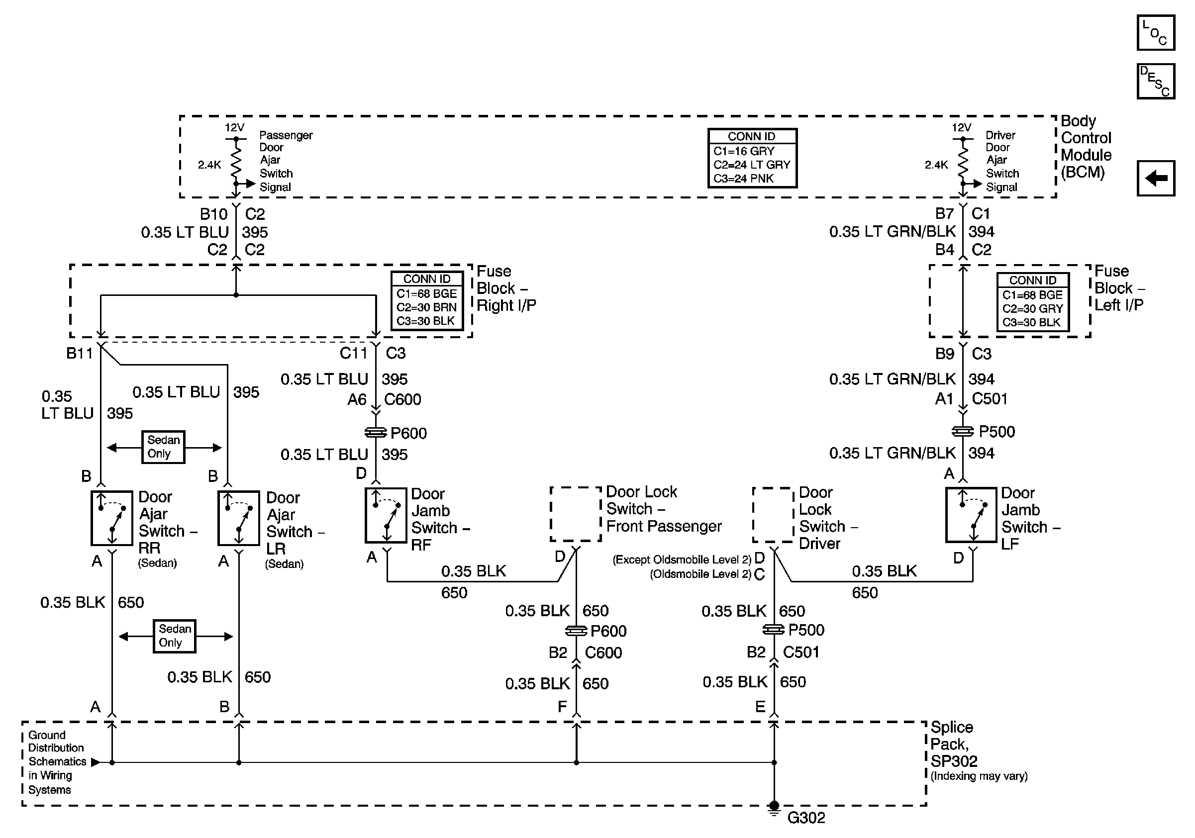
🢒 Door Jamb Switches
Door Jamb Switches
Door Jamb Switches
Master Electrical Component List
Interior Lighting Systems Description and Operation
Dome Lamps - Y70
G302