GM Service Manual Online
For 1990-2009 cars only
Makes
🢒
Cadillac
🢒
2004
🢒
Escalade EXT
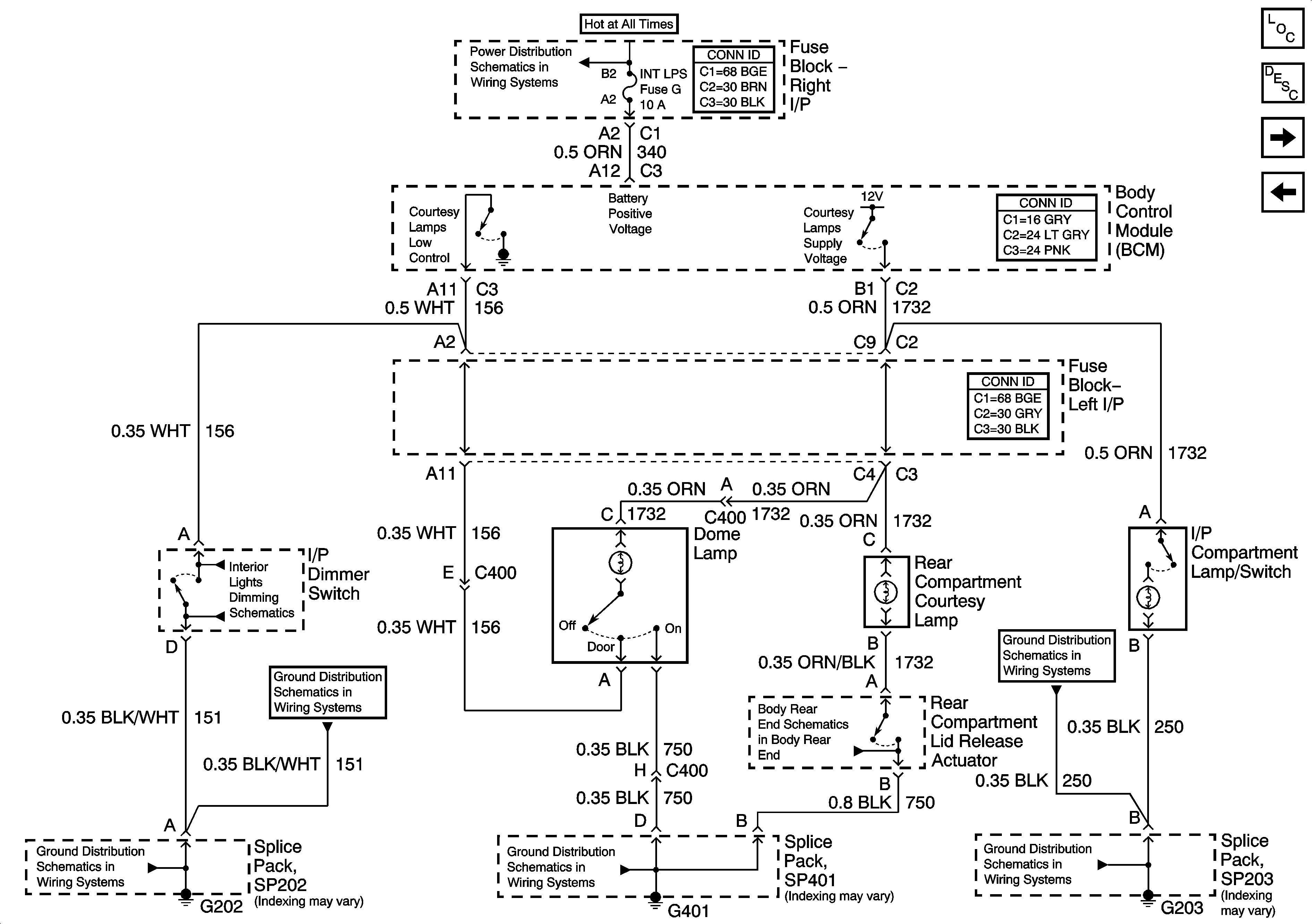
🢒 Dome Lamps - Y70
Dome Lamps - Y70
Dome Lamps - Y70
Master Electrical Component List
Interior Lighting Systems Description and Operation
Door Jamb Switches
Dome Lamps - Y71/Y72
R/H BEC BATT, ABS, COOL FAN #2 GROUND (V6), INT LPS, RADIO BATT, FOG LPS Fuses
Dimmer Controls
G202
G202
G401
Body Rear End Schematics
G203
G203