GM Service Manual Online
For 1990-2009 cars only
Makes
🢒
Cadillac
🢒
2004
🢒
Escalade EXT
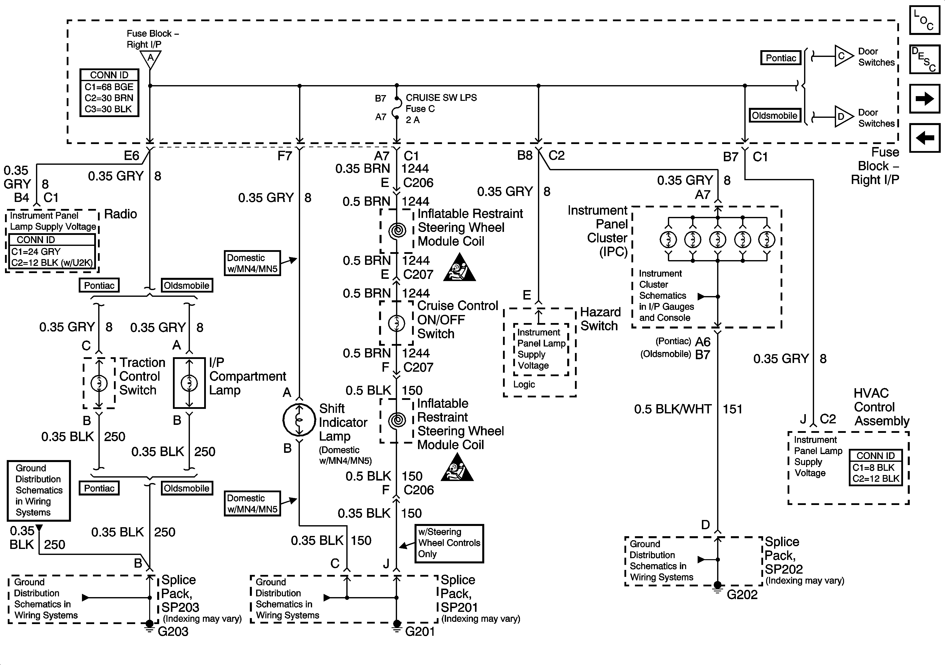
🢒 Instrument Panel Lamps
Instrument Panel Lamps
Instrument Panel Lamps
Master Electrical Component List
Interior Lighting Systems Description and Operation
Door Switches - Pontiac
Dimmer Controls
Dimmer Controls
Door Switches - Pontiac
Door Switches - Oldsmobile
SIR Caution for Zoning
SIR Caution for Zoning
Indicators
G203
G203
G101
G202