GM Service Manual Online
For 1990-2009 cars only
Makes
🢒
Cadillac
🢒
2004
🢒
Escalade EXT
🢒 Dimmer Controls
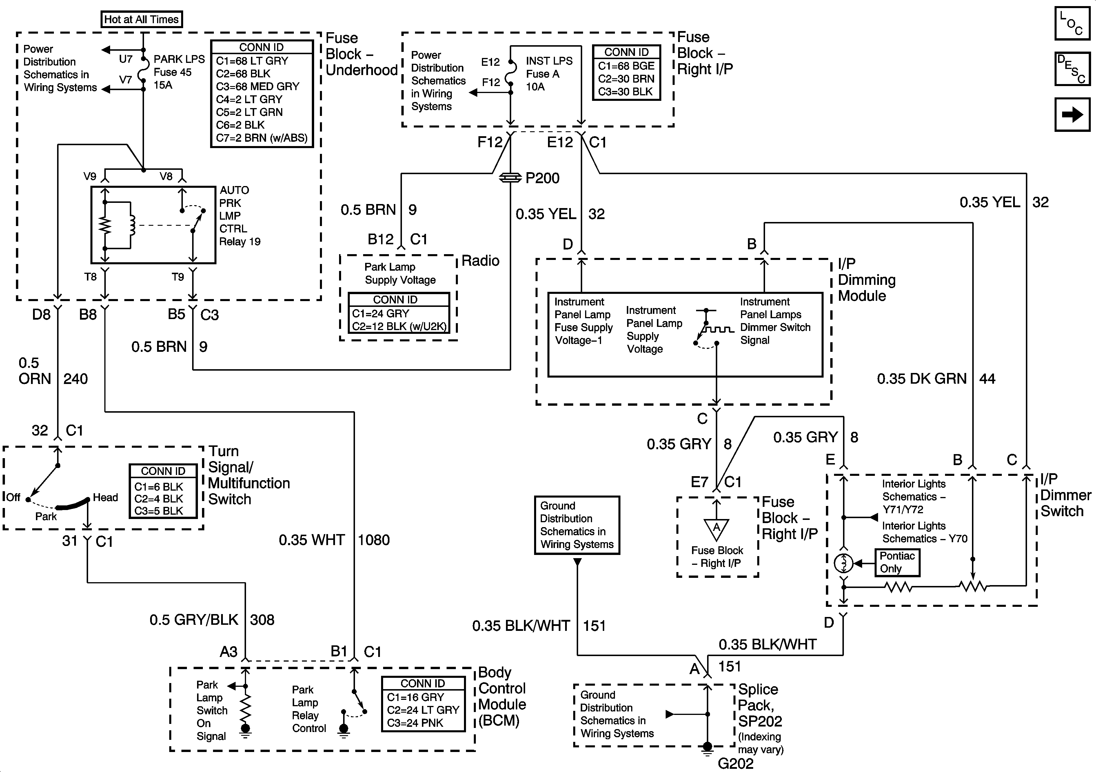
Dimmer Controls
Dimmer Controls
Master Electrical Component List
Interior Lighting Systems Description and Operation
Instrument Panel Lamps
L/H BEC BATT1, AUX PWR/CIGAR, PARK LPS, PCM BATT, PWR MIRROR, DR LOCK, TRUNK REL/RFA/RADIO AMP Fuses, and PWR SEAT Circuit Breaker
INST LPS Fuse
G202
Instrument Panel Lamps
Dome Lamps - Y71/Y72
Dome Lamps - Y70
G202