GM Service Manual Online
For 1990-2009 cars only
Makes
🢒
Cadillac
🢒
2004
🢒
Escalade EXT
🢒 B+ Bus - 2 of 2
B+ Bus - 2 of 2
B+ Bus - 2 of 2
Master Electrical Component List
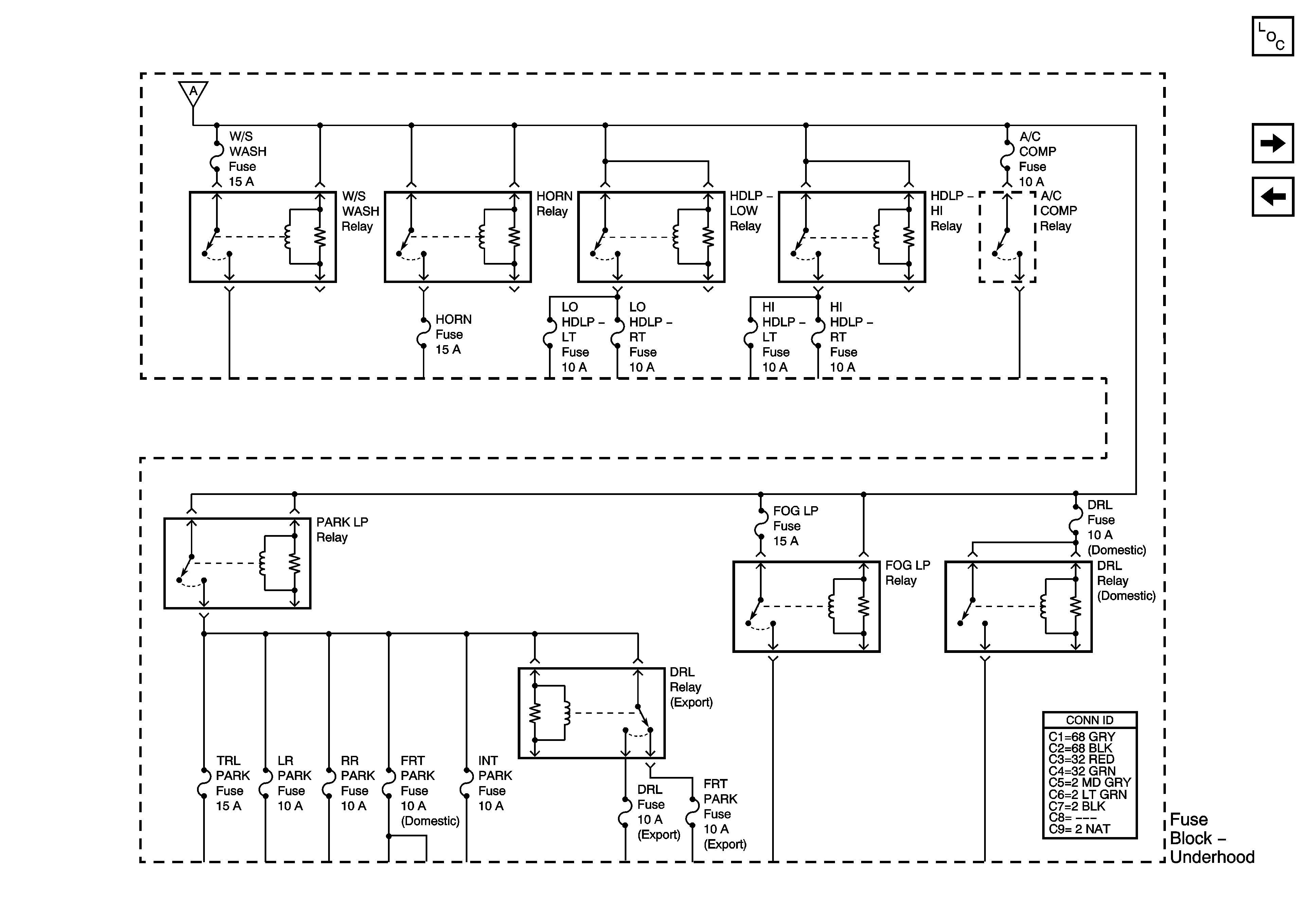
Mega Fuse - 60A, Driver, Front Passenger, Left Rear, Right Rear Fuses (ULT), and Mega Fuse - 40A, Fuse B, and Fuse D (9L4)
B+ Bus - 1 of 2
B+ Bus - 1 of 2