Makes 🢒
Cadillac 🢒
2004 🢒
Escalade EXT 🢒
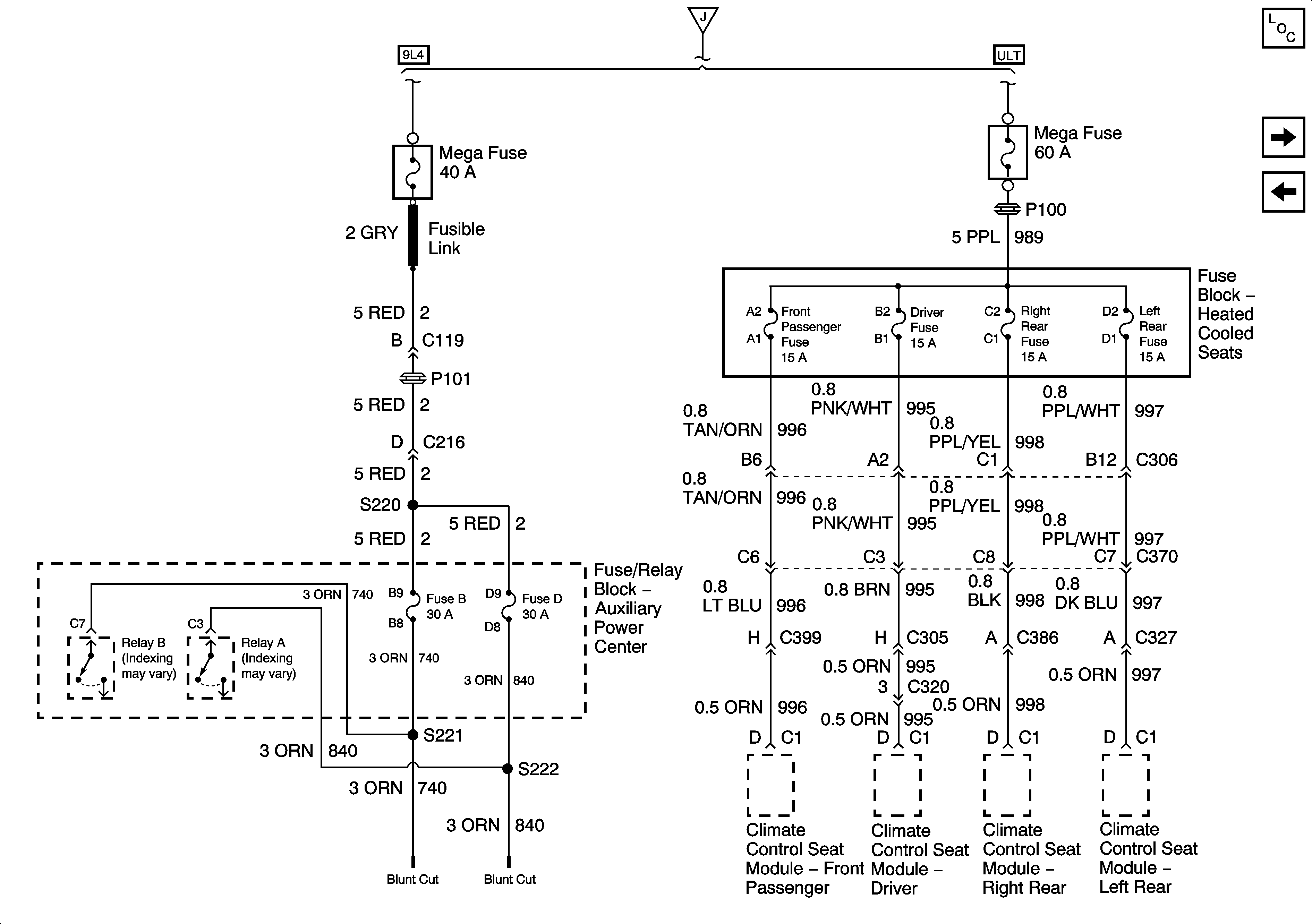
Mega Fuse - 60A, Driver, Front Passenger, Left Rear, Right Rear Fuses (ULT), and Mega Fuse - 40A, Fuse B, and Fuse D (9L4)
Mega Fuse - 60A, Driver, Front Passenger, Left Rear, Right Rear Fuses (ULT), and Mega Fuse - 40A, Fuse B, and Fuse D (9L4)