GM Service Manual Online
For 1990-2009 cars only
Makes
🢒
Cadillac
🢒
2004
🢒
Escalade EXT
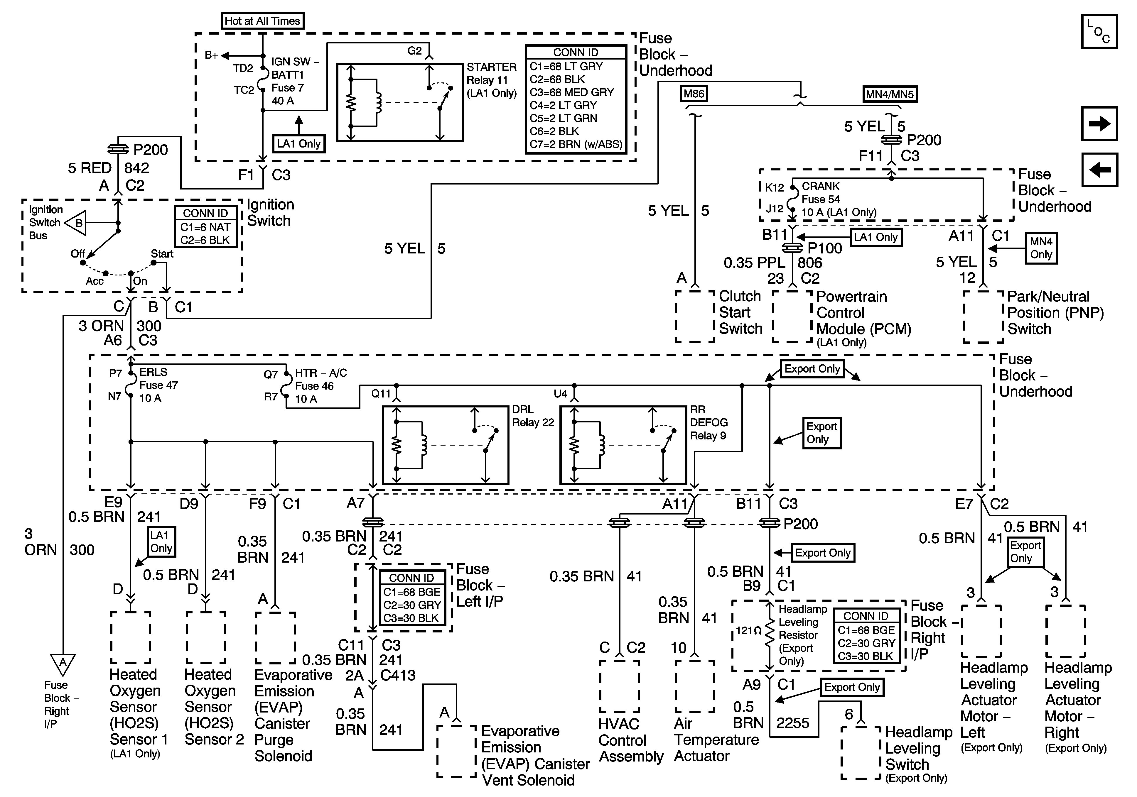
🢒 IGN SW-BATT1, HTR A/C, ERLS and CRANK Fuses
IGN SW-BATT1, HTR A/C, ERLS and CRANK Fuses
IGN SW-BATT1, HTR A/C, ERLS and CRANK Fuses
Master Electrical Component List
PCM ACC and IPC/BFC ACC Fuses
IGN SW-BATT2, AIR BAG, TURN LPS, IGN MOD, B/U LP/BTSI, PCM IGN, F/P INJR, A/C BFC, AUTO TRANS, ABS/EVO/IGN Fuses
B+ Bus Bar
PCM ACC and IPC/BFC ACC Fuses
PWR WNDW, Circuit Breaker, CRUISE SW, CRUISE, SUNROOF, HVAC BLOWER Fuses