GM Service Manual Online
For 1990-2009 cars only
Makes
🢒
Cadillac
🢒
2004
🢒
Escalade EXT
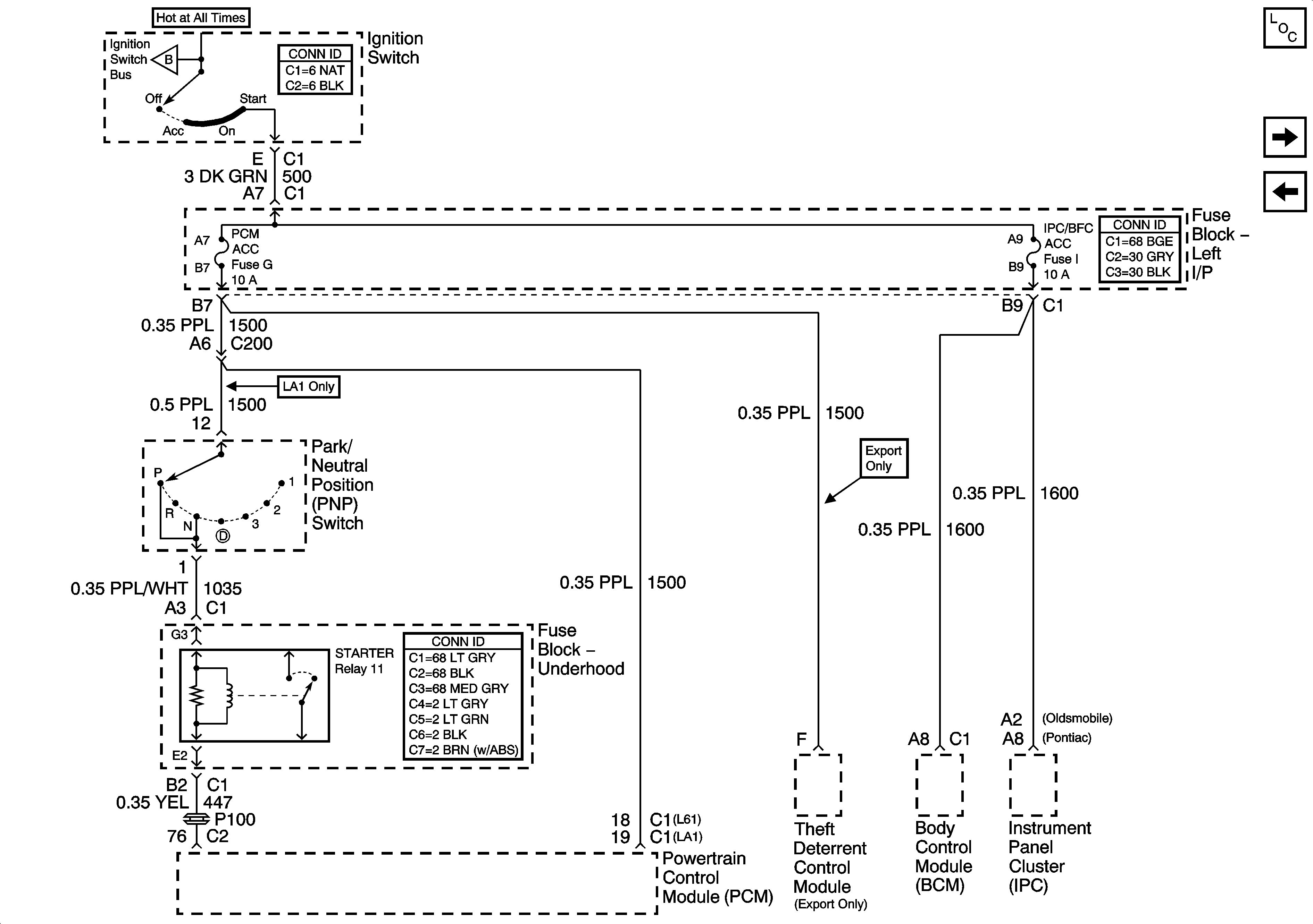
🢒 PCM ACC and IPC/BFC ACC Fuses
PCM ACC and IPC/BFC ACC Fuses
PCM ACC, and IPC/BFC ACC Fuses
Master Electrical Component List
PWR WNDW, Circuit Breaker, CRUISE SW, CRUISE, SUNROOF, HVAC BLOWER Fuses
IGN SW-BATT1, HTR A/C, ERLS and CRANK Fuses
IGN SW-BATT1, HTR A/C, ERLS and CRANK Fuses