GM Service Manual Online
For 1990-2009 cars only
Makes
🢒
Cadillac
🢒
2004
🢒
Escalade EXT
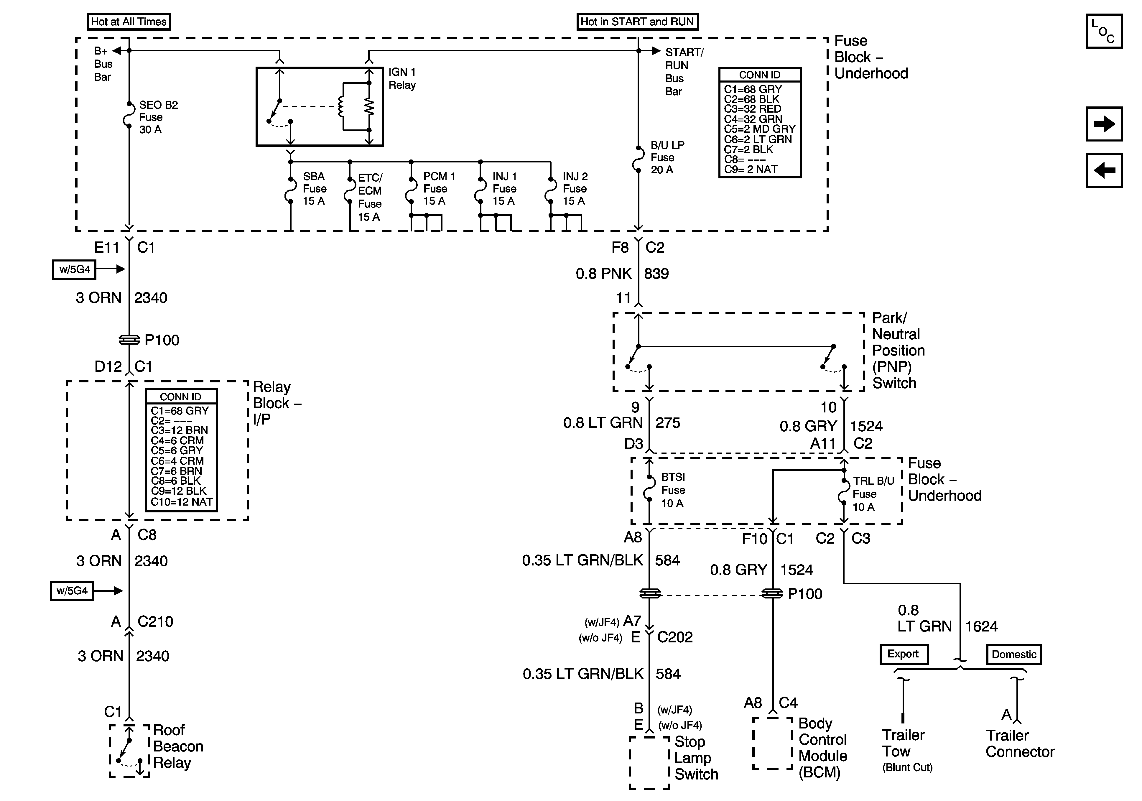
🢒 IGN 1 Relay Bus Bar, SEO B2, B/U LP, BTSI, TRL B/U Fuses
IGN 1 Relay Bus Bar, SEO B2, B/U LP, BTSI, TRL B/U Fuses
IGN 1 Relay Bus Bar, SEO B2, B/U LP, BTSI, TRL B/U Fuses
Master Electrical Component List
FLASH, and LOCKS Fuses
LBEC 1, LBEC 2, MBEC 1 Fuses
B+ Bus - 1 of 2
Ignition Switch - ACC/RUN/START, ACC/RUN, and RUN/START Bus Bars