GM Service Manual Online
For 1990-2009 cars only
Makes
🢒
Cadillac
🢒
2004
🢒
Escalade EXT
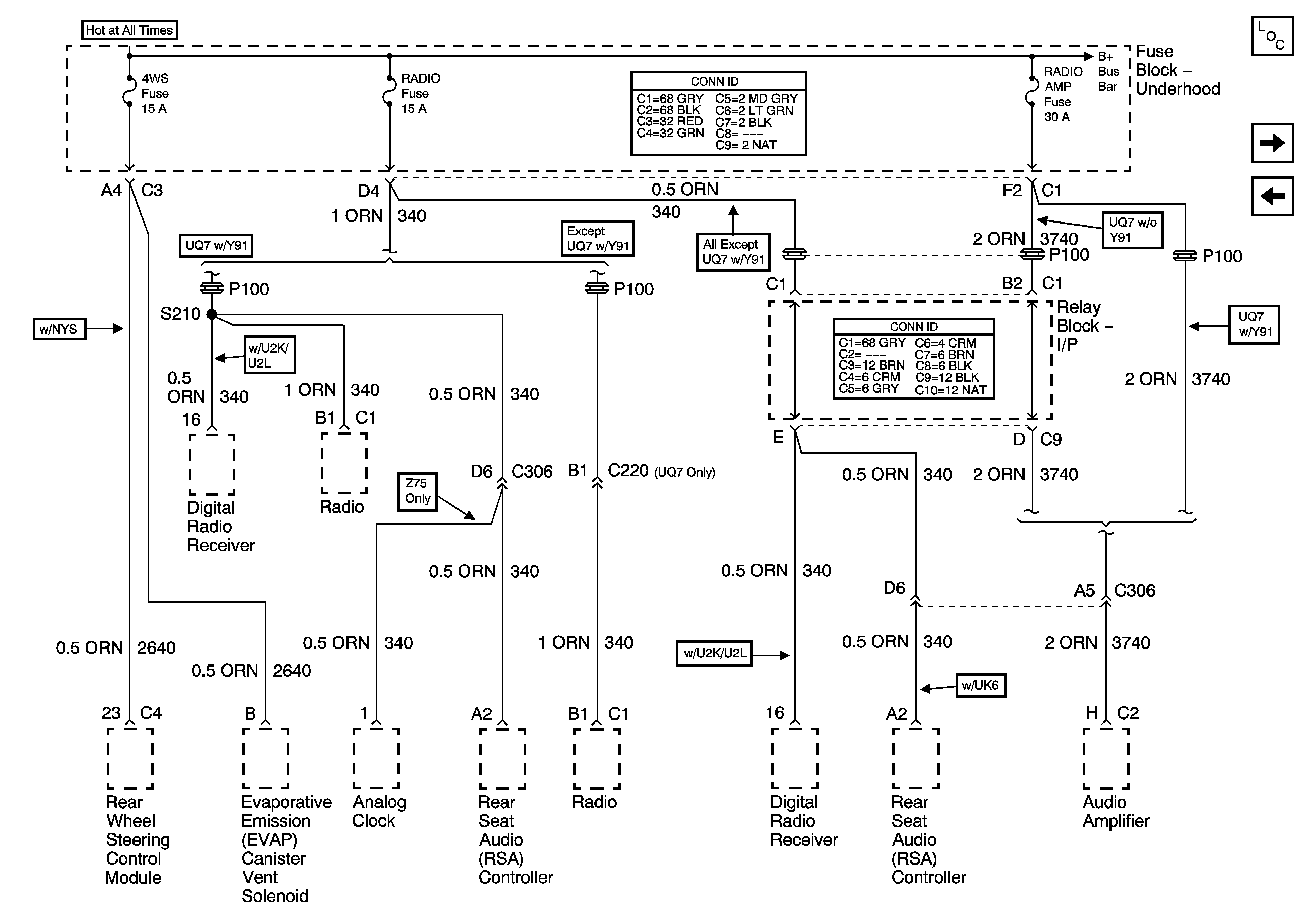
🢒 4WS, RADIO, RADIO AMP Fuses
4WS, RADIO, RADIO AMP Fuses
4WS, RADIO, RADIO AMP Fuses
Master Electrical Component List
INFO, CIG LTR Fuses
ABS, VSES/ECAS, STUD #1, STUD #2, TBC BATT Fuses
B+ Bus - 1 of 2